EasyManua.ls Logo

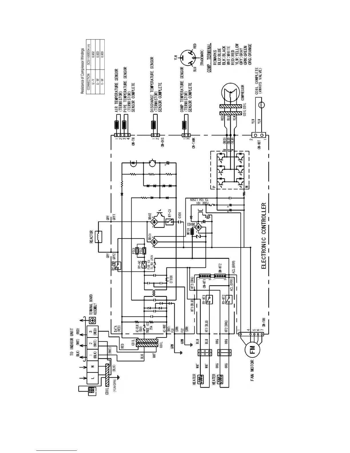
Panasonic CS-CE9LKE - Outdoor Unit Wiring

Panasonic CS-CE9LKE
85 pages
To Next Page IconTo Next Page
To Next Page IconTo Next Page
To Previous Page IconTo Previous Page
To Previous Page IconTo Previous Page
Loading...
18
8.2. Outdoor Unit

Related product manuals