EasyManua.ls Logo

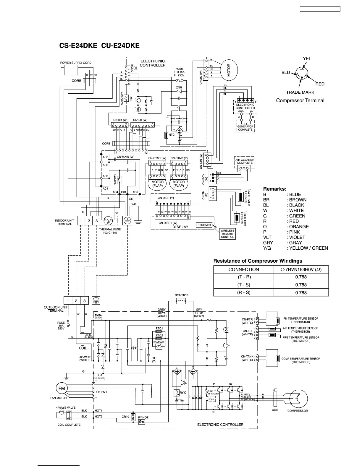
Panasonic CS-E24DKE - 7 Wiring Diagram

Panasonic CS-E24DKE
94 pages
Print Icon
To Next Page IconTo Next Page
To Next Page IconTo Next Page
To Previous Page IconTo Previous Page
To Previous Page IconTo Previous Page
Loading...
7 Wiring Diagram
13
CS-E24DKE CU-E24DKE

Table of Contents

Related product manuals