EasyManua.ls Logo

Panasonic CS-PC30EKF - Cs-Pc36 Ekf Cu-Pc36 Ekf

Panasonic CS-PC30EKF
64 pages
Print Icon
To Next Page IconTo Next Page
To Next Page IconTo Next Page
To Previous Page IconTo Previous Page
To Previous Page IconTo Previous Page
Loading...
18
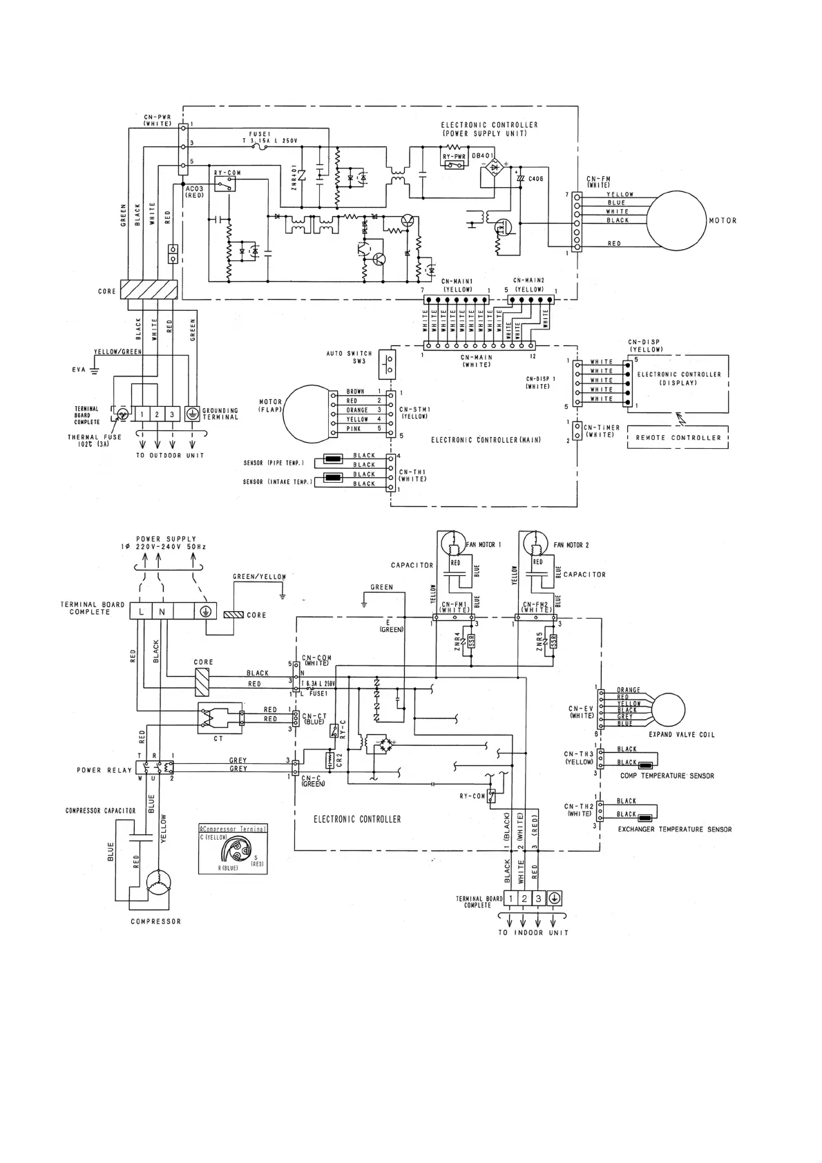
8.2. CS-PC36EKF CU-PC36EKF

Related product manuals