EasyManua.ls Logo

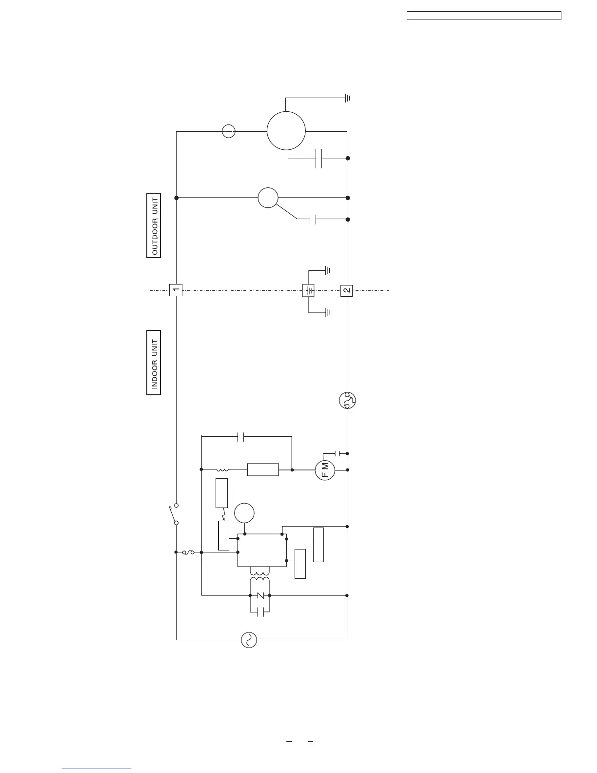
Panasonic CS-PC9DKV - Block Diagram

Panasonic CS-PC9DKV
55 pages
Print Icon
To Next Page IconTo Next Page
To Next Page IconTo Next Page
To Previous Page IconTo Previous Page
To Previous Page IconTo Previous Page
Loading...
FM
SSR201
SC
FUSE
RY- PW R
FM
Compressor
CS-PC9DKV/CU-PC9DKV
CS-PC12DKV/CU-PC12DKV
Receiver
Remote
Control
Sensor
Indicator
13
POWER SUPPLY
AC220V-230V 60Hz
CS-PC9DKV / CU-PC9DKV / CS-PC12DKV / CU-PC12DKV
6 Block Diagram

Related product manuals