EasyManua.ls Logo

Panasonic CS-PC9DKV - Pumping down

Panasonic CS-PC9DKV
55 pages
Print Icon
To Next Page IconTo Next Page
To Next Page IconTo Next Page
To Previous Page IconTo Previous Page
To Previous Page IconTo Previous Page
Loading...
(Indoor unit)
(Liquid side)
(Outdoor unit)
Open
2-way
valve
(Gas side)
Closed
3-way
valve
Closed
Closed
Low
High
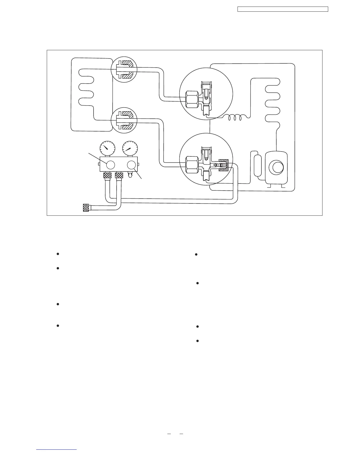
10.2. Pumping down
(For Re-Installation)
Procedure
1.Confirm that both 2-way and 3-way valves are set to open
positions.
Remove the valve stem cap and confirm that the valve
stems are in the open position.
Be sure using a hexagonal wrench to operate the valve
stems.
2.Operate the unit for 10-15 minutes.
3.Stop operation and wait for 3 minutes, then connect the
charge set to the service port of the 3-way valve.
Connect the charge hose with the push pin to the
service port.
4.Air purging of the charge hose.
Open the low-pressure valve of the charge set slightly
to purge air from the charge hose.
5.Set the 2-way valve to the close position.
6. Operate the air conditioner at the cooling cycle and stop it
when the gauge indicates 2 G (0.1Mpa).
If the unit cannot be operated at the cooling mode
operation (weather is rather cold), short the Pumping
Down pins on the Main Control P.C.B.
7. Immediately set 3-way valve to the closed position.
Do this quickly so that the gauge ends up indicating
1to3
.
kg/cm
kg/cm G (0.1 to 0.3 Mpa).
8. Use refrigerant reclaiming equipment to collect refrigerant
from indoor unit and pipes.
9. Disconnect the charge set, and mount the 2-way and 3-way
valve stem s nuts and service port cap.
Use torque wrench to tighten the service port cap to a
torque 1.8kgf.m (18N.m).
Be sure to check for gas leakage.
10. Disconnect pipes from indoor unit and outdoor unit.
2
2
37
CS-PC9DKV / CU- / CS- / CU-PC9DKV PC12DKV PC12DKV

Related product manuals