EasyManua.ls Logo

Panasonic CS-PC9DKV - Electronic Circuit Diagram

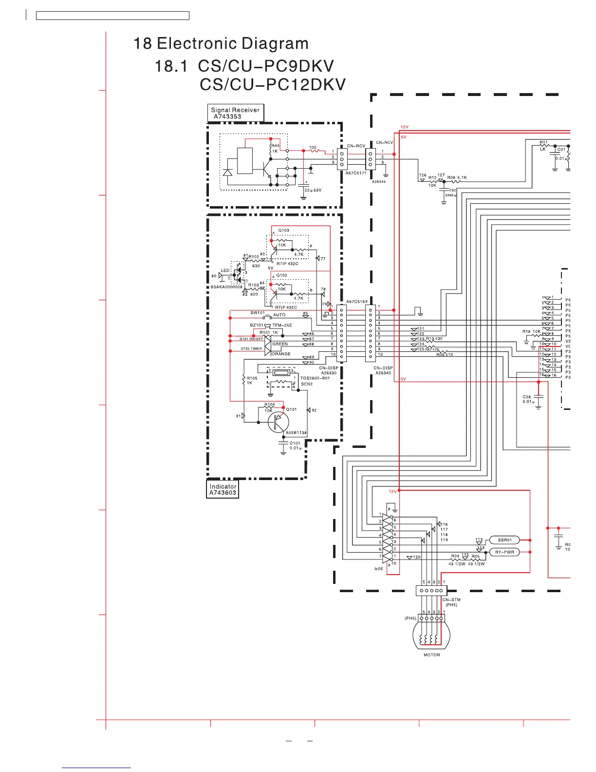
Panasonic CS-PC9DKV
55 pages
Print Icon
To Next Page IconTo Next Page
To Next Page IconTo Next Page
To Previous Page IconTo Previous Page
To Previous Page IconTo Previous Page
Loading...
A
B
C
D
E
2
3
4
5
F
CS-PC9DKV / CU- / CS- / CU-PC9DKV PC12DKV PC12DKV
52
1

Related product manuals