EasyManua.ls Logo

Panasonic CS-PC9DKV - Page 53

Panasonic CS-PC9DKV
55 pages
Print Icon
To Next Page IconTo Next Page
To Next Page IconTo Next Page
To Previous Page IconTo Previous Page
To Previous Page IconTo Previous Page
Loading...
5
6
7
8910
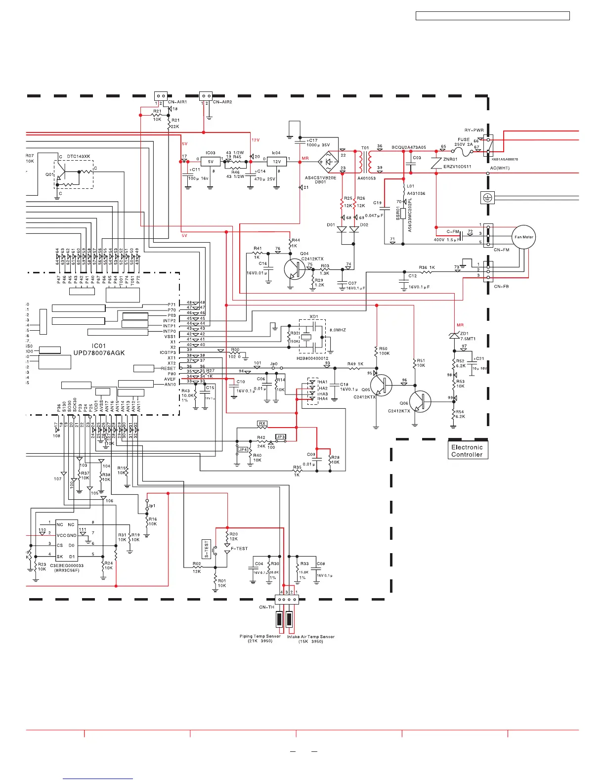
STP Motor
Comp
4-Way Valve
AUTO
Receiver
Reset
Air Quality Sensor
Temp Sensor
Timer
Earth
Indicator
Power
Outdoor Fan Drive Signal
Indoor Fan Drive Signal
Indoor Fan Motor Feedback
Air Quality
Indicator
CS-PC9DKV / CU-PC9DKV / CS-PC12DKV / CU-PC12DKV
53

Related product manuals