EasyManua.ls Logo

Panasonic CS-PC9DKV - Page 54

Panasonic CS-PC9DKV
55 pages
Print Icon
To Next Page IconTo Next Page
To Next Page IconTo Next Page
To Previous Page IconTo Previous Page
To Previous Page IconTo Previous Page
Loading...
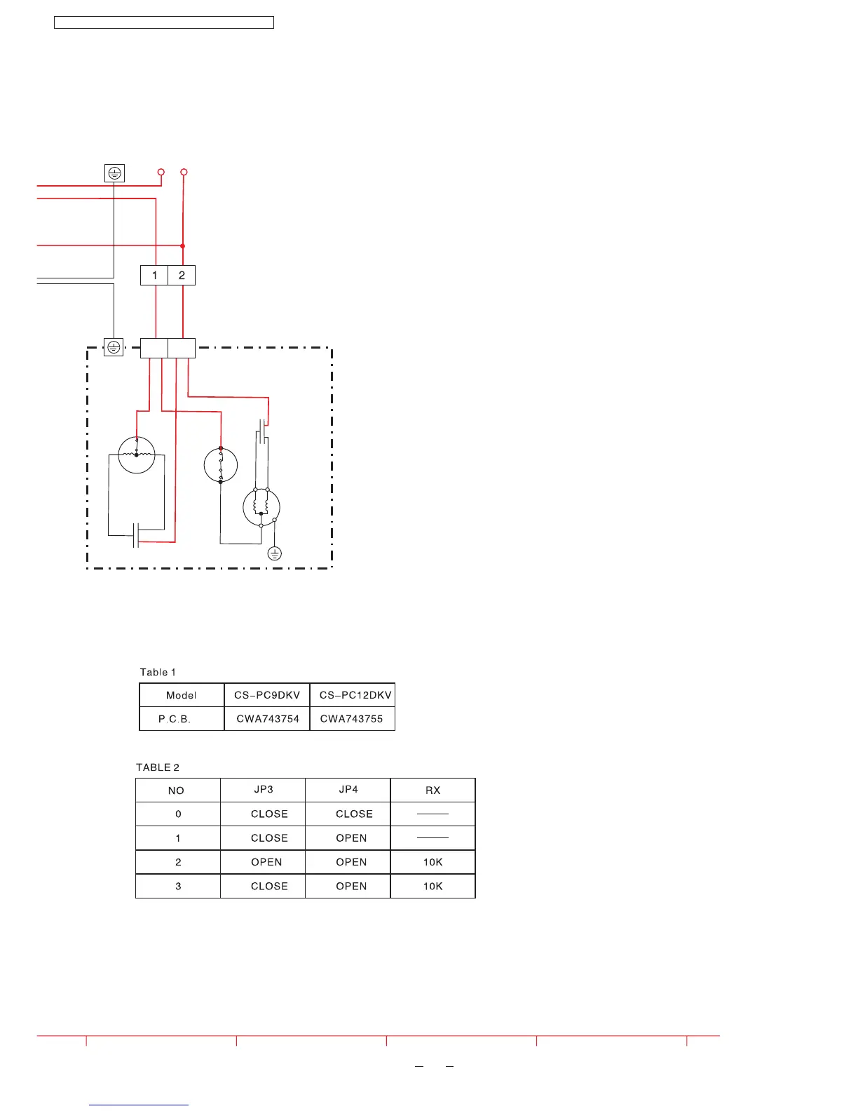
AC220V-230V
60HZ
1411 12
13
O.L.P.
Fan Motor
1
3
Blue
Capacitor
Compressor
Yellow/Green
Yellow
Blue
Red
Capacitor
Blue
Yellow
Blue
Red
Yellow
12
Terminal
Board
Outdoor
Unit
CS-PC9DKV / CU-PC9DKV / CS-PC12DKV / CU-PC12DKV
54

Related product manuals