EasyManua.ls Logo

Panasonic CS-PE12DKE

Panasonic CS-PE12DKE
77 pages
To Next Page IconTo Next Page
To Next Page IconTo Next Page
To Previous Page IconTo Previous Page
To Previous Page IconTo Previous Page
Loading...
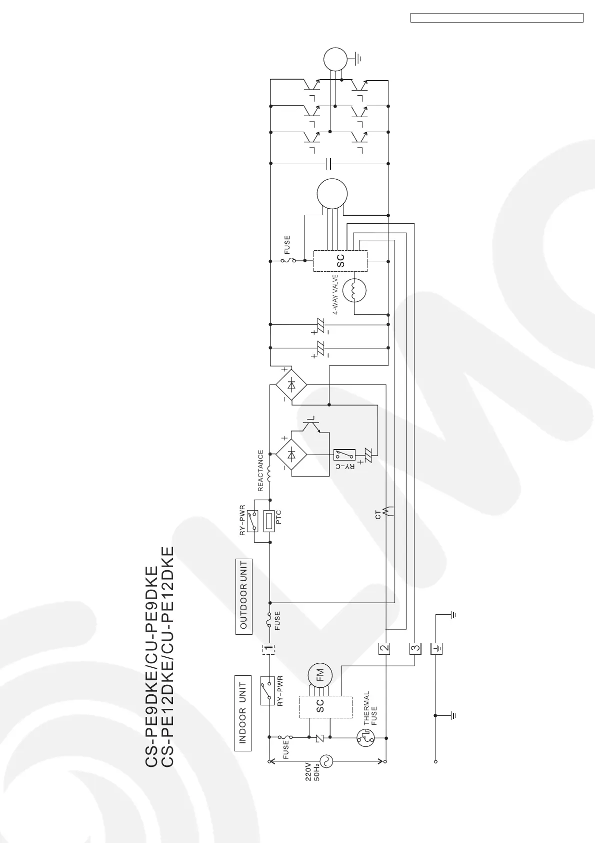
CS-PE9DKE/CU-PE9DKE
CS-PE12DKE/CU-PE12DKE
FM
FM
FM
2
3
OUTDOOR UNIT
INDOOR UNIT
THERMAL
FUSE
4-WAY VALVE
REACTANCE
6 Block Diagram
CS-PE9DKE / CU-PE9DKE / CS-PE12DKE / CU-PE12DKE

Related product manuals