EasyManua.ls Logo

Panasonic CS-PE12DKE

Panasonic CS-PE12DKE
77 pages
To Next Page IconTo Next Page
To Next Page IconTo Next Page
To Previous Page IconTo Previous Page
To Previous Page IconTo Previous Page
Loading...
CS-PE9DKE/CU-PE9DKE
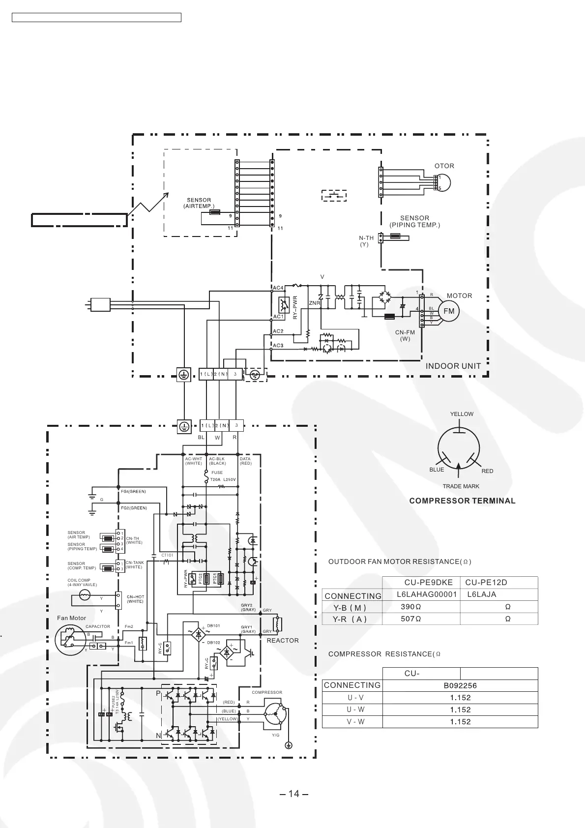
7 Wiring Diagram
14
CS-PE12DKE/CU-PE12DKE
CS-PE9DKE / CU-PE9DKE / CS-PE12DKE / CU-PE12DKE
(RED)
(BLUE)
(YELLOW)
GRY
GRY
+
-
+
-
+
+
AC-WHT
(WHITE)
AC-BLK
(BLACK)
DATA
(RED)
BL
W
R
CT101
G
G
CN-TH
(WHITE)
CN-TANK
(WHITE)
3
4
1
3
Fan Motor
Y
Y
N
P
++
FUSE2
T3.14A L250V
REACTOR
OUTDOOR UNIT
POWER SUPPLY CORD
BR
BL
R
B
FUSE
T 2.5A L 250V
AUTO SW
CN-DISP
(Y)
CN-STM
(W)
CN-TH
(Y)
CN-FM
(W)
R
BL
W
B
Y
ELECTRONIC
CONTROLLER
(DISPLAY,RECEIVER)
SENSOR
(PIPING TEMP.)
BR
R
O
Y
P
MOTOR
MOTOR
ELECTRONIC
CONTROLLER
(MAIN)
3
WIRELESS REMOTE CONTROL
3
W
U-V
U-W
V-W
L6LAHAG00001
T
TERMINAL
FUSE
1
2
SENSOR
(PIPING TEMP)
SENSOR
(AIR TEMP)
SENSOR
(COMP. TEMP)
COIL COMP
(4-WAY VAVLE)
R
B
Y
COMPRESSOR
Y/G
Y
Y
B
B
CAPACITOR Fm2
Fm1
TERMINAL
Y/G
COMPRESSOR TERMINAL
YELLOW
RED
BLUE
TRADE MARK
INDOOR UNIT
W
W
W
W
W
W
W
W
W
W
CN-DISP
(W)
CU-PE9DKE CU-PE12DKE
CONNECTING
Y-B M
Y-R A
OUTDOOR FAN MOTOR RESISTANCE( )
COMPRESSOR RESISTANCE( )
CONNECTING
L6LAJAG00001
290
287
CU-PE9DKE CU-PE12DKE

Related product manuals