EasyManua.ls Logo

Panasonic CS-PE9CKE

Panasonic CS-PE9CKE
84 pages
To Next Page IconTo Next Page
To Next Page IconTo Next Page
To Previous Page IconTo Previous Page
To Previous Page IconTo Previous Page
Loading...
14
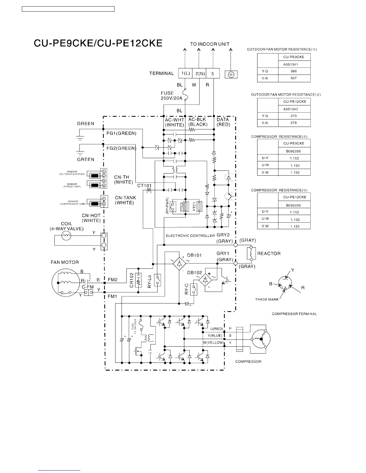
CS-PE9CKE / CU-PE9CKE / CS-PE12CKE / CU-PE12CKE
Panasonic ilmalämpöpumput korjaa ja huoltaa pääkaupunkiseudulla: Jäähdytinpalvelu RefGroup Oy
www.ilmalämpöpumput.com

Other manuals for Panasonic CS-PE9CKE

Related product manuals