EasyManua.ls Logo

Panasonic CS-S9NKV - Cs-S18 Nkv Cu-S18 Nkv Cs-S24 Nkv Cu-S24 Nkv

Panasonic CS-S9NKV
138 pages
To Next Page IconTo Next Page
To Next Page IconTo Next Page
To Previous Page IconTo Previous Page
To Previous Page IconTo Previous Page
Loading...
22
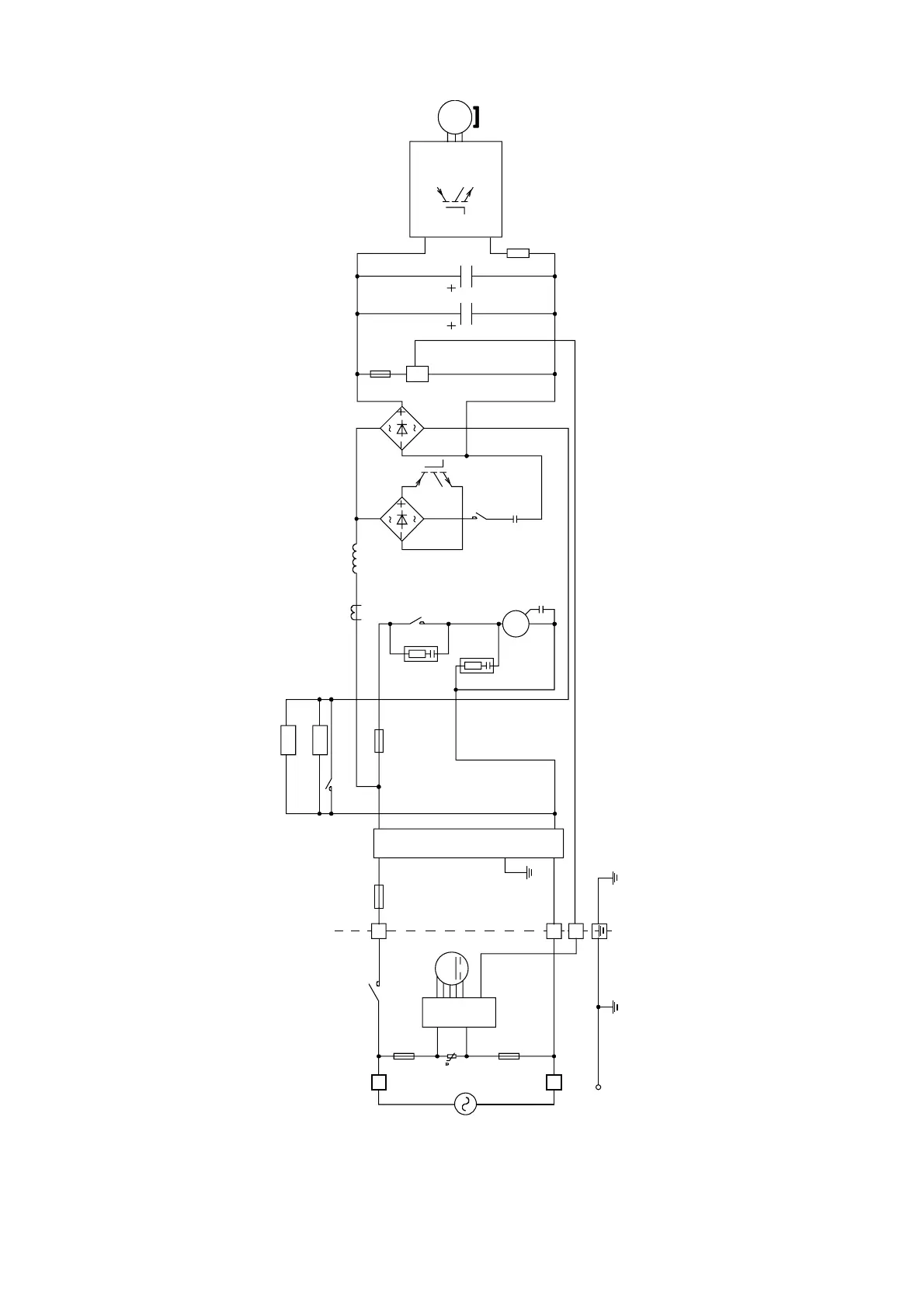
6.3 CS-S18NKV CU-S18NKV CS-S24NKV CU-S24NKV
SINGLE PHASE
POWER SUPPLY
(INDOOR UNIT) (OUTDOOR UNIT)
NOISE FILTER
FUSE301
FUSE3
CT400
C-FM
C205
RY-C
RY-FM
CR6
CR4
REACTOR
RY-PWR
RY-PWR
PTC
PTC1
PTC2
TEMP. FUSE
SC
SC
M
M
1~
MS
3~
1
2
3
FUSE2
FUSE1
FAN MOTOR
L
N

Table of Contents

Related product manuals