EasyManua.ls Logo

Panasonic CS-S9NKV - 8 Electronic Circuit Diagram; Indoor Unit

Panasonic CS-S9NKV
138 pages
To Next Page IconTo Next Page
To Next Page IconTo Next Page
To Previous Page IconTo Previous Page
To Previous Page IconTo Previous Page
Loading...
31
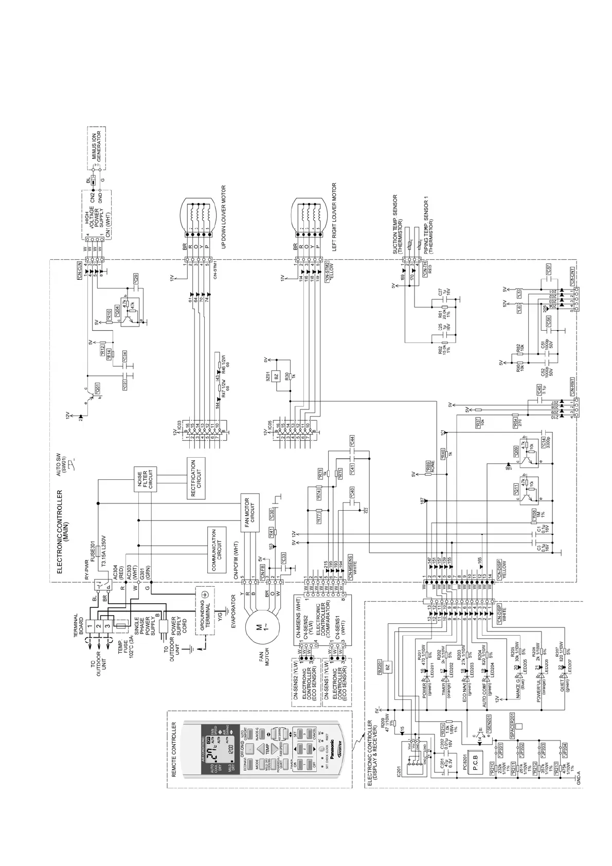
8. Electronic Circuit Diagram
8.1 Indoor Unit
8.1.1 CS-S9NKV CS-S12NKV

Table of Contents

Related product manuals