EasyManua.ls Logo

Panasonic CS-TE35TKEW - Outdoor Unit

Panasonic CS-TE35TKEW
127 pages
To Next Page IconTo Next Page
To Next Page IconTo Next Page
To Previous Page IconTo Previous Page
To Previous Page IconTo Previous Page
Loading...
28
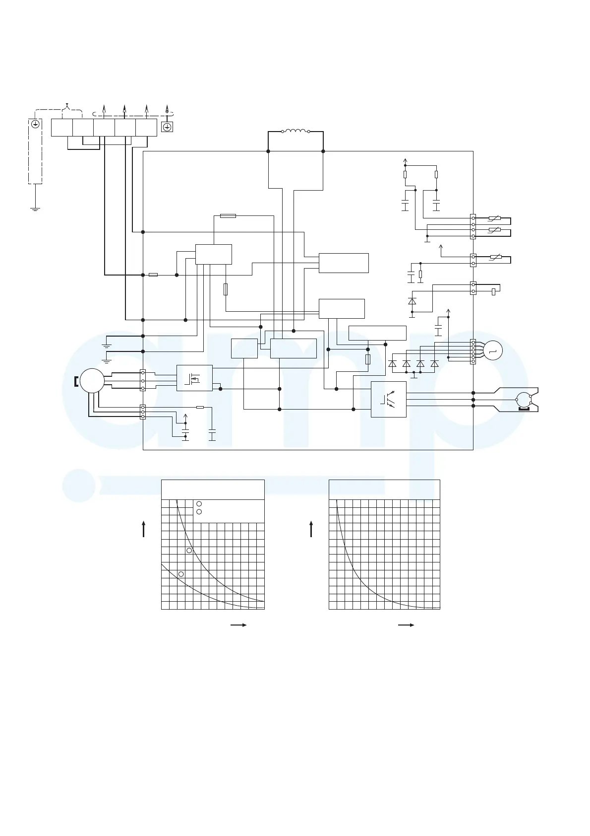
9.2 Outdoor Unit
9.2.1 CU-TE20TKE CU-TE25TKE
Sensor (Thermistor)
Characteristics
70
60
50
40
30
20
10
0
-10 0 10
Temperature (
o
C)
Resistance (kΩ)
20 30 40 50
1
2
1
2
Outdoor Air Sensor
Outdoor Heat Exchanger
Sensor
Compressor Temp. Sensor
(Thermistor) Characteristics
70
60
50
40
30
20
10
0
20 40 60
Temperature (
o
C)
Resistance (kΩ)
80 100 120 140
MS
3 ~
U
V
W
P
N
Q1
M
REACTOR
W
U
V
MS
3 ~
TO INDOOR UNITSINGLE PHASE
POWER SUPPLY
(WHT)
(WHT)
(WHT)
(BLK) (RED)
(RED)
LN
(BLK)
1
23
GRN
GRN
BLK
BLK
YLW/GRN
WHT
WHT
RED
AC-WHT
AC-BLK
(BLK)
DATA
(RED)
GROUNDING TERMINAL
FUSE101
(20A 250V)
FG 1
(GRN)
FG 2
(GRN)
CN-MTR1
(RED)
CN-MTR2
(WHT)
FAN MOTOR
NOISE
FILTER
CIRCUIT
3
5
1
1
10
14
16
3
IC19
ELECTRONIC CONTROLLER
FUSE102
T3.15A L250V
FUSE104
(15A 250V)
PFC
CIRCUIT
RECTIFICATION
CIRCUIT
SWITCHING POWER
SUPPLY CIRCUIT
COMMUNICATION
CIRCUIT
RECTIFICATION
CIRCUIT
FUSE103
T3.15A L250V
GRY
RAT2
(GRY)
RAT1
(GRY)
GRY
TERMINAL
BOARD
OUTDOOR AIR TEMP.
SENSOR (THERMISTOR)
1
4
CN-TH
(WHT)
PIPING TEMP. SENSOR
(THERMISTOR)
1
3
CN-TANK
(WHT)
COMP. TEMPERATURE
SENSOR (THERMISTOR)
YLW
YLW
1
3
CN-HOT
(WHT)
ELECTRO-MAGNETIC
COIL (4-WAYS VALVE)
ELECTRO-MAGNETIC
COIL
(EXPANSION VALVE)
CN-STM
(WHT)
1
6
RED
BLU
YLW
U (RED)
V (BLU)
W (YLW)
COMPRESSOR
D9
1A5
AK
G2
C173
5V
R120
1k
B1
C175
0.01u
50V
G5G5
+
5V
G8
R1
4.99k
1%
B1
C3
1u
10V
G8
5V
G8
R12
15k
1%
R11
15.8k
1%
C7
1u
B1
10V
G8
C6
1u
B1
10V
G8
C189
0.1u
B1
25V
G2
13V
D64
KA
D63
KA
D62
KA
D61
KA
G2
AMP Air Conditioning
www.ampair.co.uk | sales@ampair.co.uk

Table of Contents

Other manuals for Panasonic CS-TE35TKEW

Related product manuals