EasyManua.ls Logo

Panasonic CS-V7DKE - 7 Wiring Diagram

Panasonic CS-V7DKE
80 pages
To Next Page IconTo Next Page
To Next Page IconTo Next Page
To Previous Page IconTo Previous Page
To Previous Page IconTo Previous Page
Loading...
7 Wiring Diagram
17
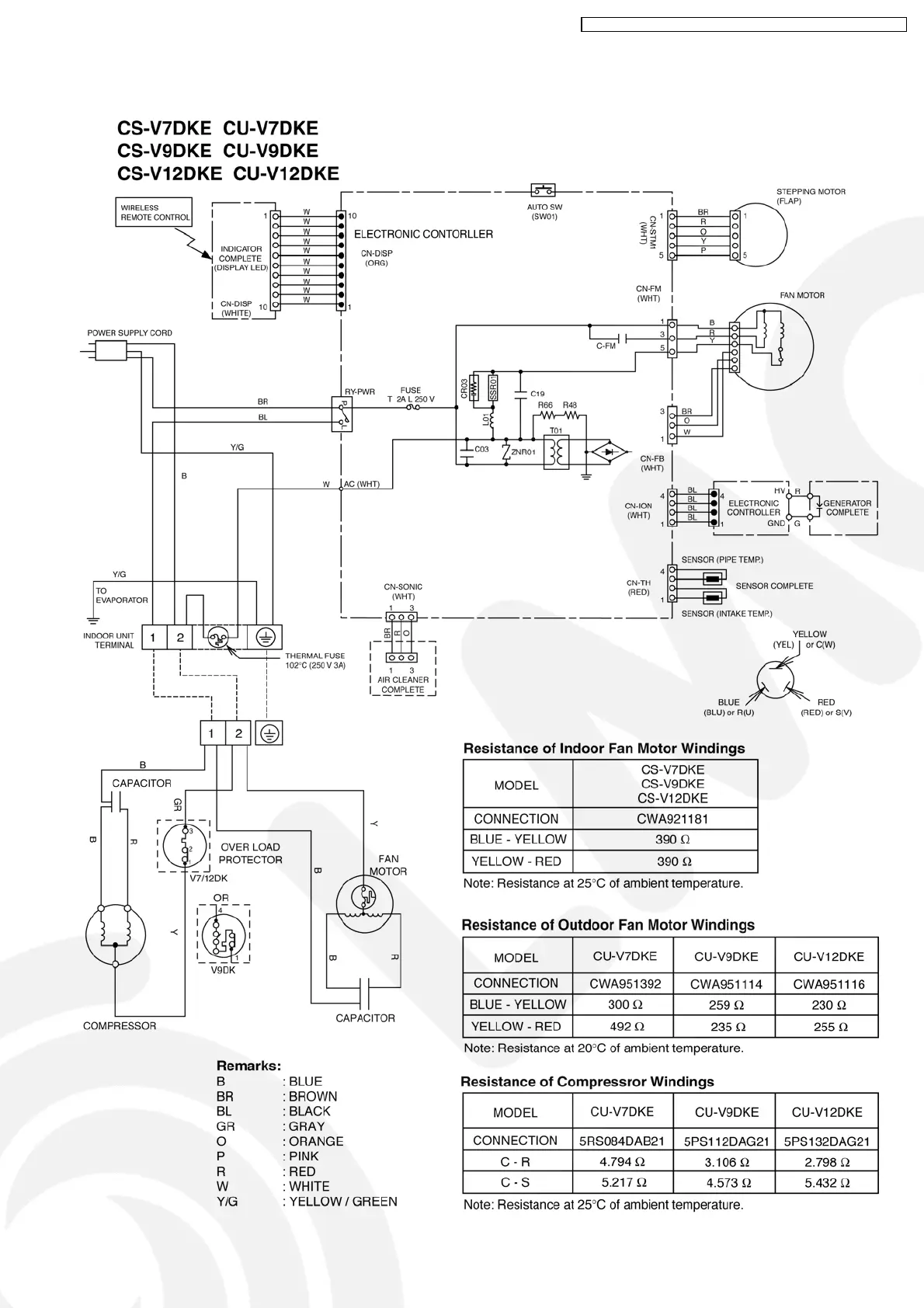
CS-V7DKE CU-V7DKE / CS-V9DKE CU-V9DKE / CS-V12DKE CU-V12DKE

Table of Contents

Other manuals for Panasonic CS-V7DKE

Related product manuals