EasyManua.ls Logo

Panasonic CU-C7BKP6 - Page 49

Panasonic CU-C7BKP6
83 pages
Print Icon
To Next Page IconTo Next Page
To Next Page IconTo Next Page
To Previous Page IconTo Previous Page
To Previous Page IconTo Previous Page
Loading...
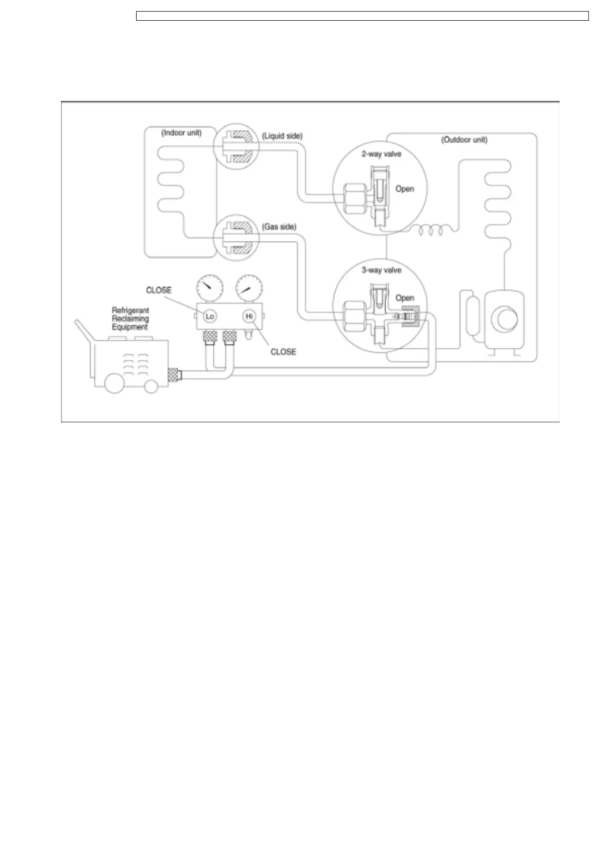
(Lack of refrigerant in the refrigeration cycle)
Procedure:
1. Confirm that both the 2-way and 3-way valves are set to
the open position.
2. Connect the charge set to the 3-way valve’s service
port.
Leave the valve on the charge set closed.
Connect the charge hose with the push-pin to the
service port.
3. Connect the charge set’s centre hose to refrigerant
reclaiming equipment.
Purge the air from charge hose.
4. Open the valve (Low side) on the charge set and
discharge the refrigerant until the gauge indicates 0.05
MPa (0.5 kg/cm
2
G) to 0.1 MPa (1 kg/cm
2
G).
If there is no air in the refrigeration cycle (the pressure
when the air conditioner is not running is higher than 0.1
MPa (1 kg/cm
2
G), discharge the refrigerant until the
gauge indicates 0.05 MPa (0.5 km/cm
2
G) to 0.1 MPa (1
kg/cm
2
G). If this is the case, it will not be necessary to
apply a evacuation.
Discharge the refrigerant gradually; if it is discharged
too suddenly, the refrigeration oil will also be
discharged.
5. Turn on refrigerant reclaiming equipment.
11.1.4. Balance refrigerant of the 2-way, 3-way valves
49
CS-C7BKP CU-C7BKP5 / CS-C7BKP CU-C7BKP6 / CS-C9BKP CU-C9BKP5 / CS-C9BKP CU-C9BKP6 / CS-C12BKP CU-C12BKP5 / CS-C12BKP CU-C12BKP6

Related product manuals