EasyManua.ls Logo

Panasonic CU-C7BKP6 - SCHEMATIC DIAGRAM 2;3

Panasonic CU-C7BKP6
83 pages
Print Icon
To Next Page IconTo Next Page
To Next Page IconTo Next Page
To Previous Page IconTo Previous Page
To Previous Page IconTo Previous Page
Loading...
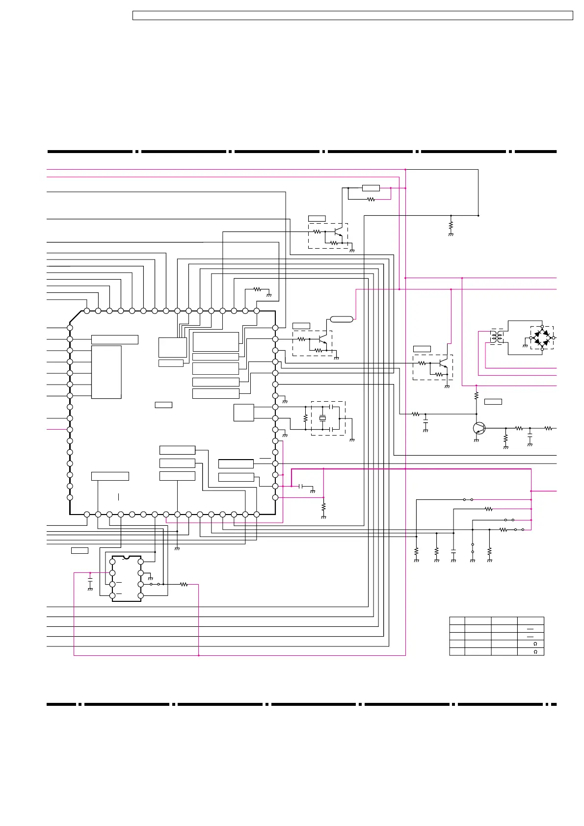
SCHEMATIC DIAGRAM 2/3
Q03
4.7k
10k
e
b
c
DB01
T01
47
51
A52D0022GB34
IC01
+
~
~
P72
P73
P74
P75
P64
P65
P66
P67
P40/AD0
P41/AD1
P42/AD2
P43/AD3
P44/AD4
P45/AD5
P46/AD6
P47/AD7
P11/AN1
P12/AN2
P13/AN3
P14/AN4
P15/AN5
P16/AN6
P17/AN7
AVss
VDD1
P25
P24
P23
P22/SCK
P21/S0
P20/S1
P36
P51/A9
P50/A8
P53/A11
P52/A10
P54/A12
P56/A14
P55/A13
P57/A15
VDD0
Vss0
P31
P30
P32
P34
P35
P33
46
41
42
43
44
45
64
63
62
61
60
59
58
57
56
55
54
53
52
51
50
49
48
47
40
39
38
37
36
35
33
32
313029
282726
252423
222120
19
18
17
16
15
14
13
12
11
9
8
7
6
5
4
3
2
1
P02/INTP2
P01/INTP1
P00/INTP0
P70
P71
P03/INTP3
Vss1
X1
X2
IC
XT1
XT2
Reset
AVref
P10/ANO
AVd0
R10
10k
150k
R32
X01
4.096MHz (47pF X 2)
0.01µ
C10
R56
IC02
A52BR9020F
5
6
8
3
1
RS
D0
D1
R/B
CS
SK4
Vcc GND 7
C05
0.1µ
10k
R09JX2
Q02
4.7k
10k
e
b
c
Q04
c
e
b
R44
1k
1.0k
R41
820
R03
4.7k
R29
3.9k
R26
0.1µ
C07
GENERATOR
POWER CLOCK
0.01µ
C16
10k
R37
0.01µ
C15
JX4
R38
10k
R40
JX3
24k
R42
RX1
R43
JX1
Q01
4.7k
10k
e
b
c
BZ1
BZ
1k
R55
51k
R34
DISPLAY
GROUND
AUTO RESTART
POWER
RESET
PIPE TEMP
INTAKE AIR TEMP
OSC
REMOTE-CONTROL
POWER CLOCK INPUT
DRIVE SIGNAL
FAN SPEED
BUZZER
COMMAND INPUT
SIGNAL
DRIVE
MOTOR
STEPPING
RY-PWR DRIVE SIGNAL
AUTO OPERATION
TEST RUN
REMOTE CONTROL
SOUND
TIMER SHORTEN
REMOTE CONTROL NO.
SHORT
SHORT
OPEN
SHORT
SHORT
OPEN
OPEN
OPEN
1
0
3
2
JX3 JX4 RX1
10K
10K
2
SSR01
34
10
77
CS-C7BKP CU-C7BKP5 / CS-C7BKP CU-C7BKP6 / CS-C9BKP CU-C9BKP5 / CS-C9BKP CU-C9BKP6 / CS-C12BKP CU-C12BKP5 / CS-C12BKP CU-C12BKP6

Related product manuals