EasyManua.ls Logo

Panasonic CU-L50DBE5 - Page 14

Panasonic CU-L50DBE5
86 pages
Print Icon
To Next Page IconTo Next Page
To Next Page IconTo Next Page
To Previous Page IconTo Previous Page
To Previous Page IconTo Previous Page
Loading...
14
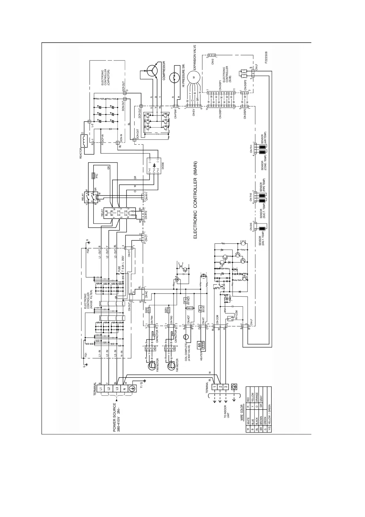
6.2.2. CU-L50DBE8

Other manuals for Panasonic CU-L50DBE5

Related product manuals