EasyManua.ls Logo

Panasonic CU-L50DBE5 - Odour Removing Operation

Panasonic CU-L50DBE5
86 pages
Print Icon
To Next Page IconTo Next Page
To Next Page IconTo Next Page
To Previous Page IconTo Previous Page
To Previous Page IconTo Previous Page
Loading...
26
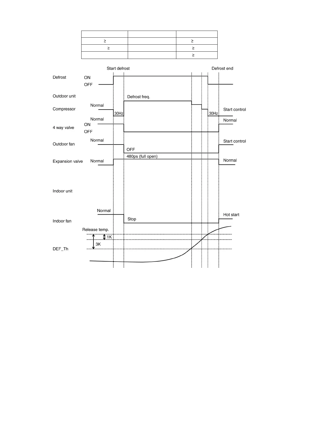
The defrost temperature (DEF_Th) depends on outdoor ambient temperature.
8.4.6. Heating high temperature protection
During heating operation, when outdoor temperature is more than 35C for 15 minutes, compressor stop to protect compressor.
After 3 minutes (re-start delay control) waiting, if thermostat on condition, outdoor unit re-start.
8.5. Odour removing operation
During stop condition, or cooling operation, when pushing the [ODOUR] button for 3 seconds, operation change to the odour
removing operation.
Operation detail is as follows;
Fan mode operation for 180 seconds, then refrigerant cycle change to heating mode for 720 seconds, to heat up (dry) the indoor
unit. Compressor frequency and indoor fan controlled to maintain the indoor heat exchanger temperature 41C.
Indoor fan revolution is fixed at Lo speed.
After that, fan mode operation continue for 360 seconds, then odour removing operation finish.
During odour removing operation, [ODOUR] sign is blinking at LCD display panel of wired remote controller, when pushing the
operation button, or [ODOUR] button, odour removing operation finish and set the odour cut operation.
Outdoor air temp. (C) Maximum defrost time DEF_Th (C)
Tout -3C
10min 3sec
11C
-3C Tout -10C
10min 3sec
5C
Tout < -10C 10min 3sec
3C

Other manuals for Panasonic CU-L50DBE5

Related product manuals