EasyManua.ls Logo

Panasonic CU-L50DBE5 - 5 Block Diagram; 5.1. Indoor

Panasonic CU-L50DBE5
86 pages
Print Icon
To Next Page IconTo Next Page
To Next Page IconTo Next Page
To Previous Page IconTo Previous Page
To Previous Page IconTo Previous Page
Loading...
9
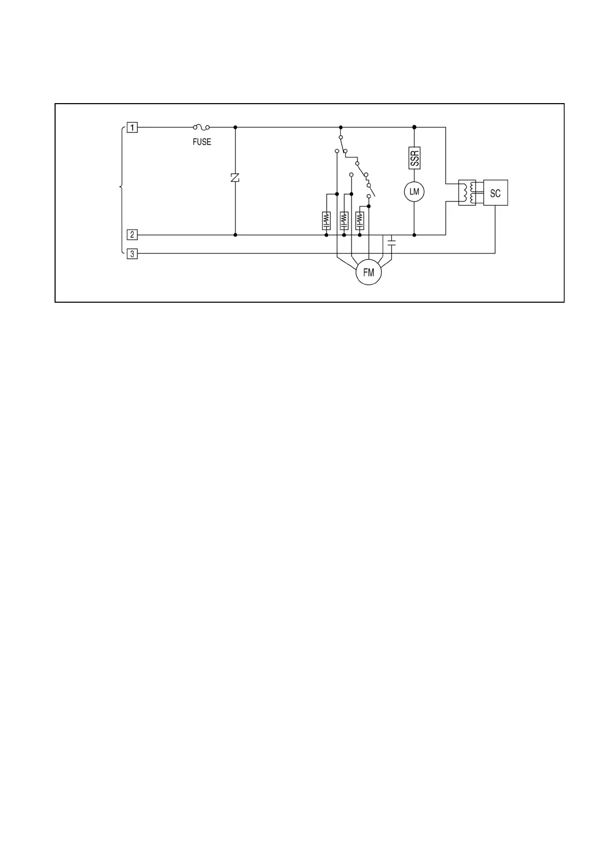
5 Block Diagram
5.1. Indoor

Other manuals for Panasonic CU-L50DBE5

Related product manuals