EasyManua.ls Logo

Panasonic CU-L50DBE5 - 10 Troubleshooting Guide; 10.1. For standard installation

Panasonic CU-L50DBE5
86 pages
Print Icon
To Next Page IconTo Next Page
To Next Page IconTo Next Page
To Previous Page IconTo Previous Page
To Previous Page IconTo Previous Page
Loading...
51
10 Troubleshooting Guide
10.1. For standard installation
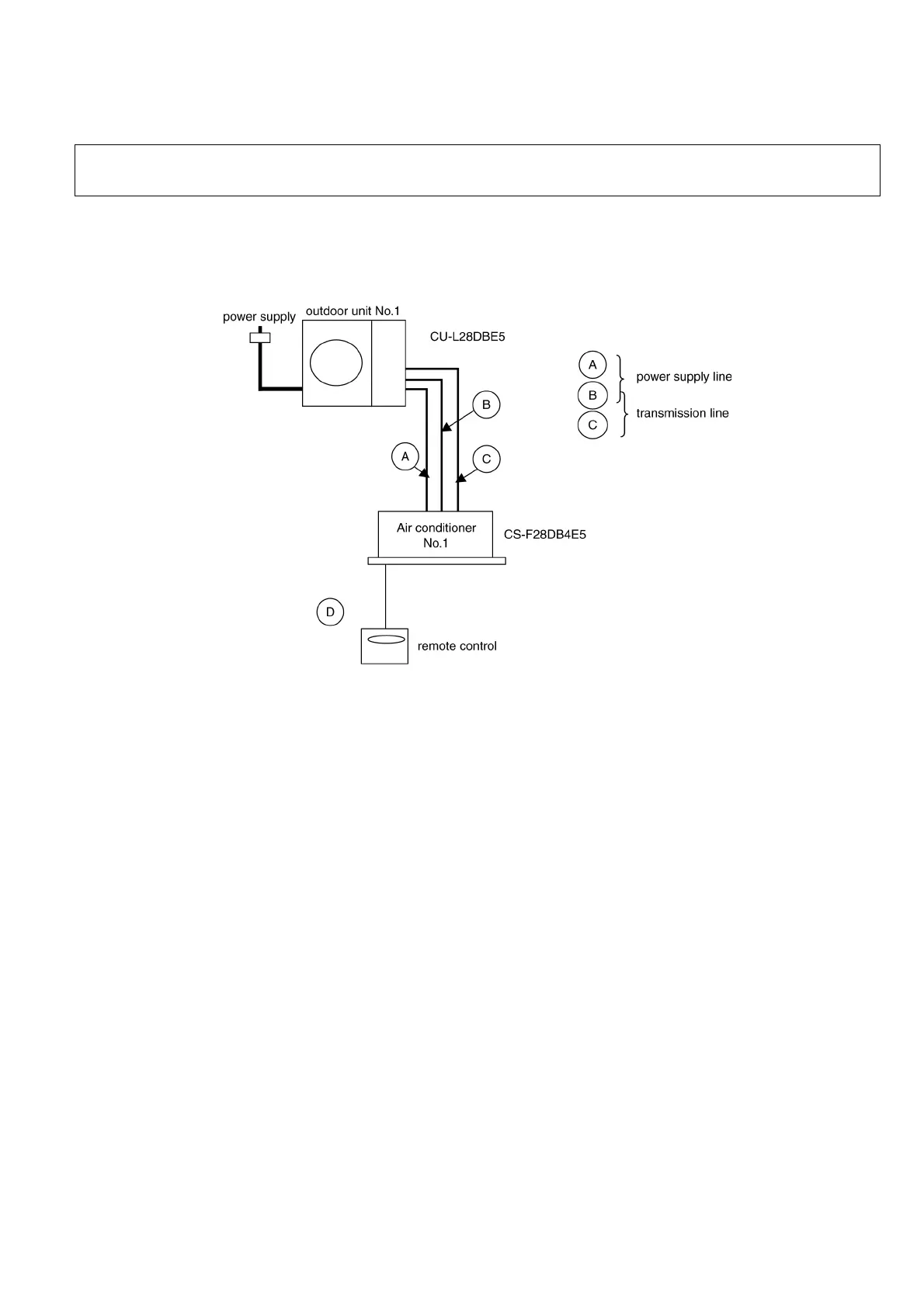
System example
1. The main power is turned on while the indoor-outdoor transmission wires are not connected.
(open circuit at A: power line)
Symptom
Indoor unit : no power supply
Remote control unit : no power supply
Outdoor unit : LED302, 304, 306 on P.C.B flashes
2. The main power is turned on while the indoor-outdoor transmission wires are not connected.
(open circuit at B: power/transmission line)
Symptom
Indoor unit : no power supply
Remote control unit : no power supply
Outdoor unit : LED302, 304, 306 on P.C.B flashes
3. The main power is turned on while the indoor-outdoor transmission wires are not connected.
(open circuit at C: transmission line)
Symptom
Remote control unit : “check” flashes
Error code : F27-01 (indoor/outdoor transmission error)
Indoor unit : LED1 on P.C.B flashes
Outdoor unit : LED302, 304, 306 on P.C.B flash
If test operation does not proceed correctly :
Carry out test operation after approximately 12 hours have passed since the power was turned on (crank case heater is energized). If operation
started by using the remote control within 1 minute of turning on the power, the outdoor unit setting will not be made correctly and correct operation
will not be possible.
If the following symptoms occur after turning on the power, check the wiring connections once more.

Other manuals for Panasonic CU-L50DBE5

Related product manuals