EasyManua.ls Logo

Panasonic CU-PC18KKF - Block Diagram

Panasonic CU-PC18KKF
77 pages
Print Icon
To Next Page IconTo Next Page
To Next Page IconTo Next Page
To Previous Page IconTo Previous Page
To Previous Page IconTo Previous Page
Loading...
16
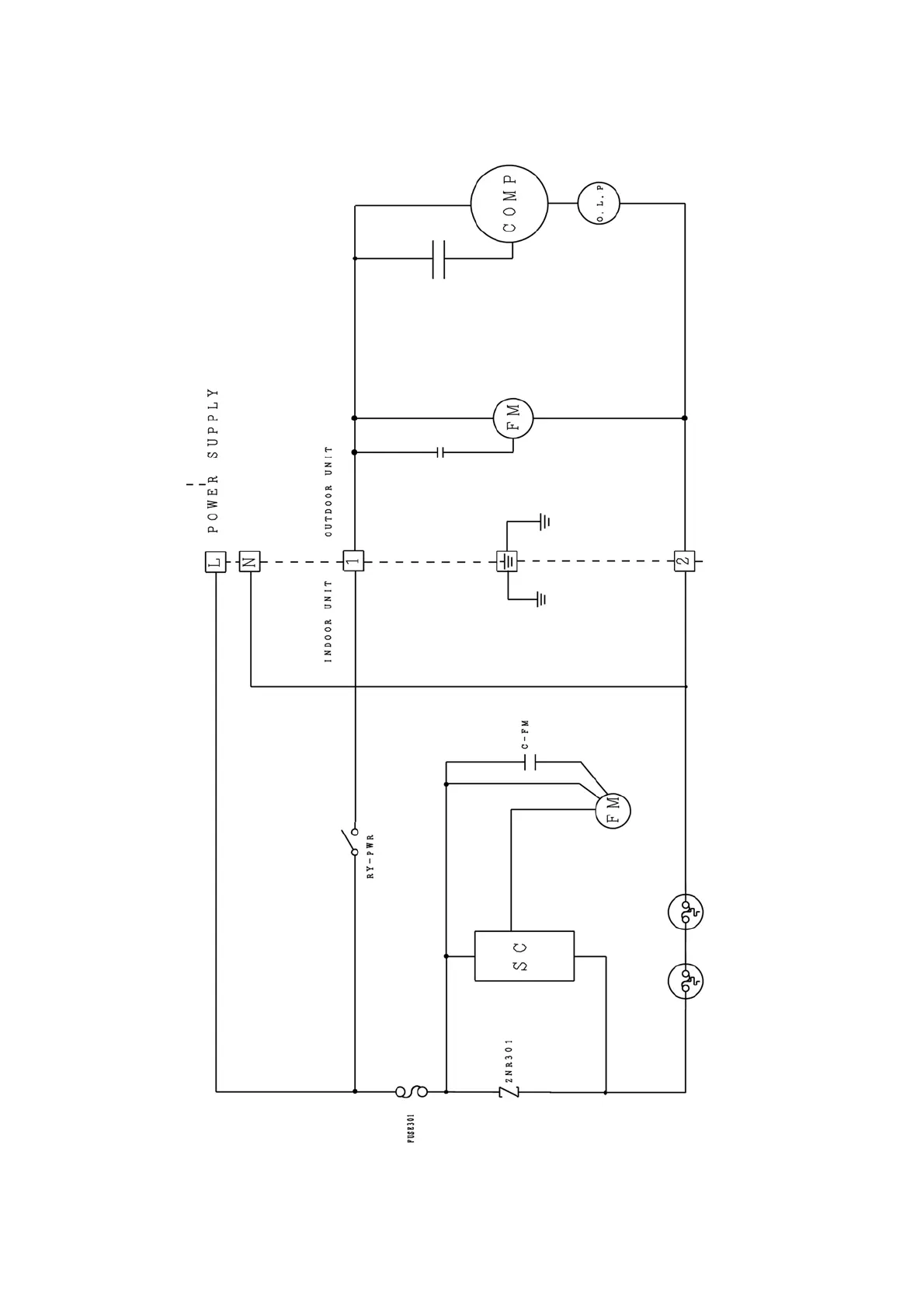
7 Block Diagram
7.1. CS-PC12KKF

Table of Contents

Related product manuals