EasyManua.ls Logo

Panasonic CU-PC18KKF - Cs-Pc24 Kkf Cu-Pc24 Kkf

Panasonic CU-PC18KKF
77 pages
Print Icon
To Next Page IconTo Next Page
To Next Page IconTo Next Page
To Previous Page IconTo Previous Page
To Previous Page IconTo Previous Page
Loading...
20
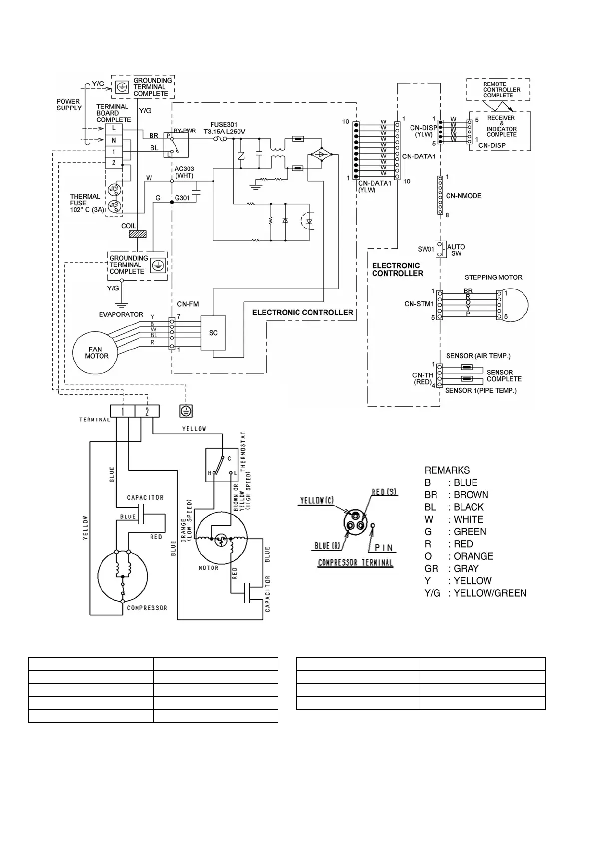
8.3. CS-PC24KKF CU-PC24KKF
Resistance of Outdoor Fan Motor Windings
Note: Resistance at 25°C of ambient temperature.
Resistance of Compressor Windings
Note: Resistance at 20°C of ambient temperature.
MODEL CU-PC24KKF
CONNECTION CWA951689
BLUE-YELLOW 64 Ω
YELLOW-ORANGE 90 Ω
YELLOW-RED 55 Ω
MODEL CU-PC24KKF
CONNECTION 2JS438D3CB04
C - R 1.121 Ω
C - S 2.535 Ω

Table of Contents

Related product manuals