EasyManua.ls Logo

Panasonic CU-PC18KKF - Wiring Connection Diagram

Panasonic CU-PC18KKF
77 pages
Print Icon
To Next Page IconTo Next Page
To Next Page IconTo Next Page
To Previous Page IconTo Previous Page
To Previous Page IconTo Previous Page
Loading...
18
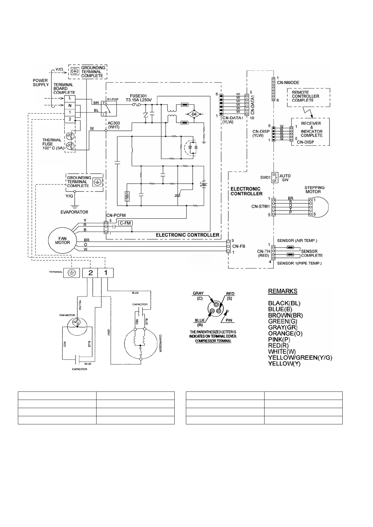
8 Wiring Connection Diagram
8.1. CS-PC12KKF CU-PC12KKF
Resistance of Outdoor Fan Motor Windings
Note: Resistance at 25°C of ambient temperature.
Resistance of Compressor Windings
Note: Resistance at 20°C of ambient temperature.
MODEL CU-PC12KKF
CONNECTION CWA951676
BLUE-YELLOW 198 Ω
YELLOW-RED 293 Ω
MODEL CU-PC12KKF
CONNECTION 2KS210D5AA06
C - R 2.279 Ω
C - S 3.526 Ω

Table of Contents

Related product manuals