EasyManua.ls Logo

Panasonic CU-PC24QKH - Cs-Pc24 Qkh Cu-Pc24 Qkh

Panasonic CU-PC24QKH
115 pages
Print Icon
To Next Page IconTo Next Page
To Next Page IconTo Next Page
To Previous Page IconTo Previous Page
To Previous Page IconTo Previous Page
Loading...
23
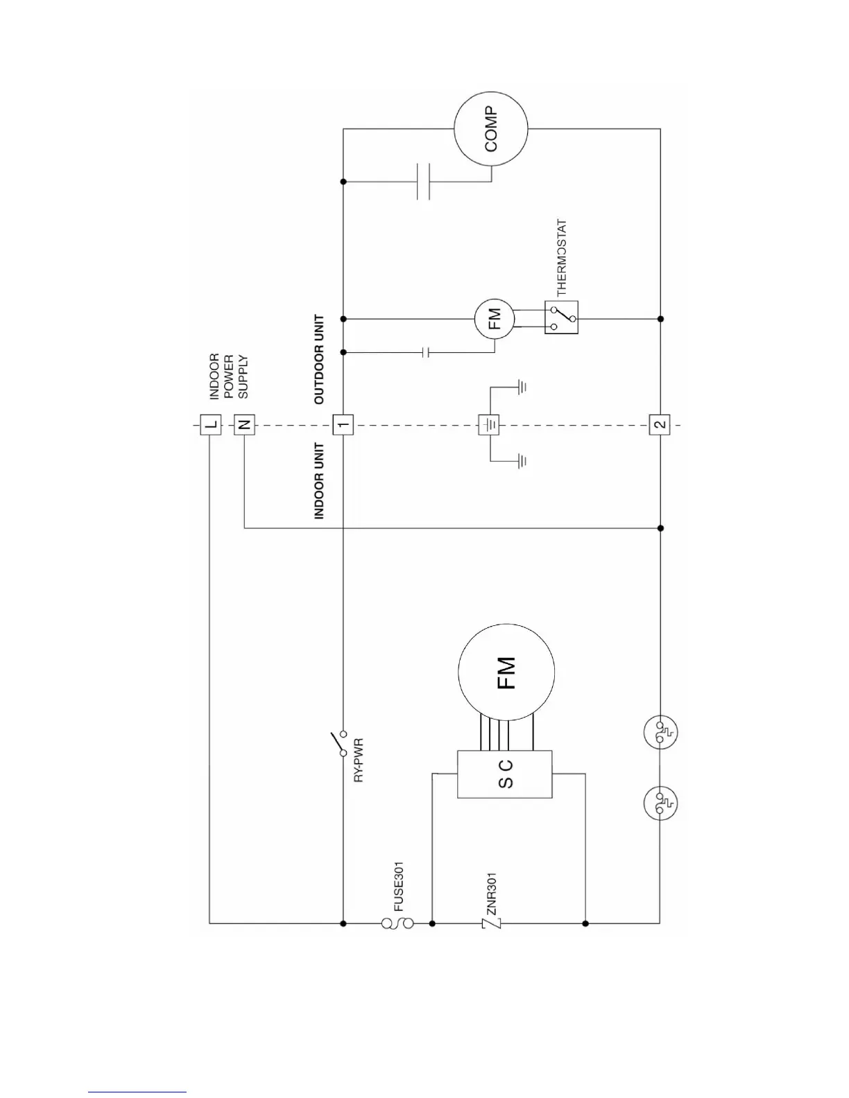
7.2 CS-PC24QKH CU-PC24QKH

Table of Contents

Other manuals for Panasonic CU-PC24QKH

Related product manuals