EasyManua.ls Logo

Panasonic CU-PC24QKH - Cs-Pc24 Qkh Cu-Pc24 Qkh

Panasonic CU-PC24QKH
115 pages
Print Icon
To Next Page IconTo Next Page
To Next Page IconTo Next Page
To Previous Page IconTo Previous Page
To Previous Page IconTo Previous Page
Loading...
27
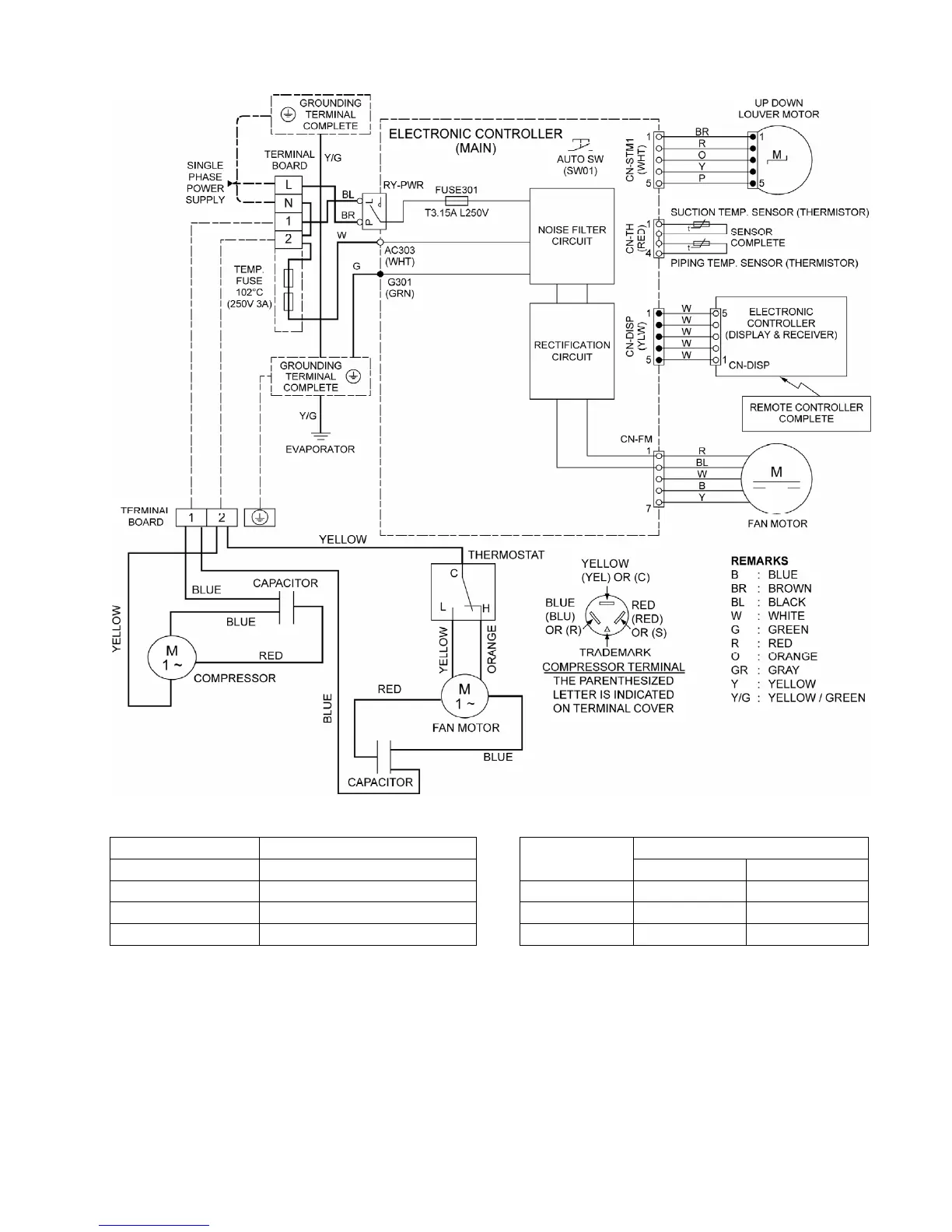
8.3 CS-PC24QKH CU-PC24QKH
Resistance of Outdoor Fan Motor Windings
Resistance of Compressor Windings
MODEL CU-PC24QKH CU-PC24QKH
CONNECTION CWA951697
MODEL
Others/S. E. Asia Myanmar
BLUE-YELLOW 70 CONNECTION 2JS438D3GA04 2JS438D3EA04
YELLOW-RED 51 C-R 1.338 1.156
YELLOW-ORANGE 69 C-S 2.420 2.997
Note: Resistance at 20°C of ambient temperature. Note: Resistance at 20°C of ambient temperature.

Table of Contents

Other manuals for Panasonic CU-PC24QKH

Related product manuals