EasyManua.ls Logo

Panasonic CU-PC30JKF - Wiring Connection Diagram; Indoor Unit Wiring

Panasonic CU-PC30JKF
68 pages
Print Icon
To Next Page IconTo Next Page
To Next Page IconTo Next Page
To Previous Page IconTo Previous Page
To Previous Page IconTo Previous Page
Loading...
15
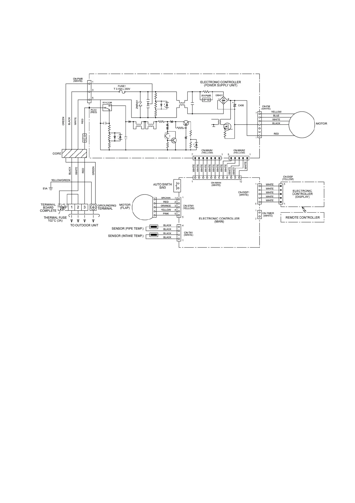
8 Wiring Connection Diagram
8.1. Indoor Unit
8.1.1. CS-PC30JKF CS-PC36JKF

Table of Contents

Related product manuals