EasyManua.ls Logo

Panasonic CU-PC30JKF - Outdoor Unit

Panasonic CU-PC30JKF
68 pages
Print Icon
To Next Page IconTo Next Page
To Next Page IconTo Next Page
To Previous Page IconTo Previous Page
To Previous Page IconTo Previous Page
Loading...
19
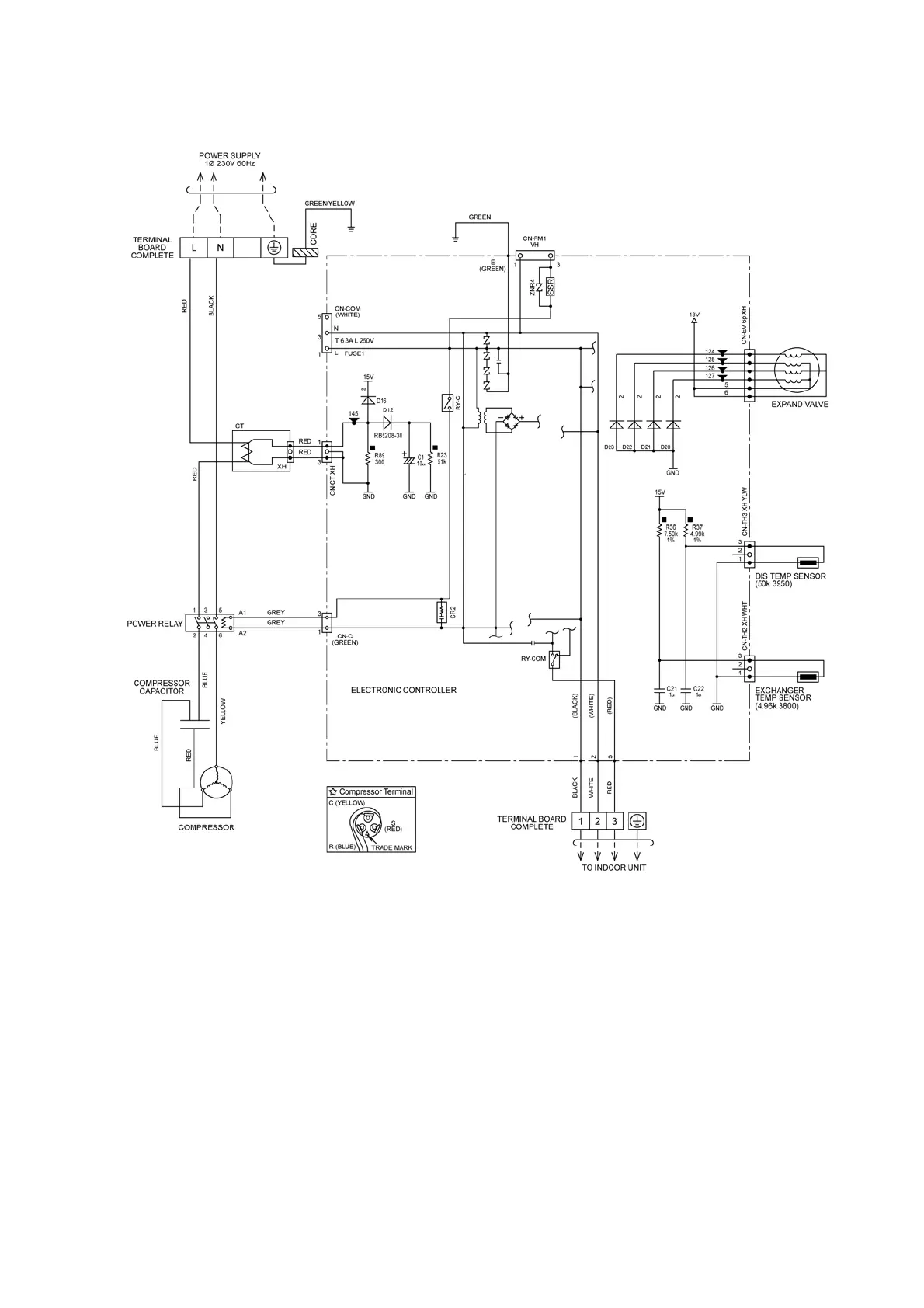
9.2. Outdoor Unit
9.2.1. CU-PC30JKF

Table of Contents

Related product manuals