EasyManua.ls Logo

Panasonic CU-PC30JKF - Outdoor Unit

Panasonic CU-PC30JKF
68 pages
Print Icon
To Next Page IconTo Next Page
To Next Page IconTo Next Page
To Previous Page IconTo Previous Page
To Previous Page IconTo Previous Page
Loading...
16
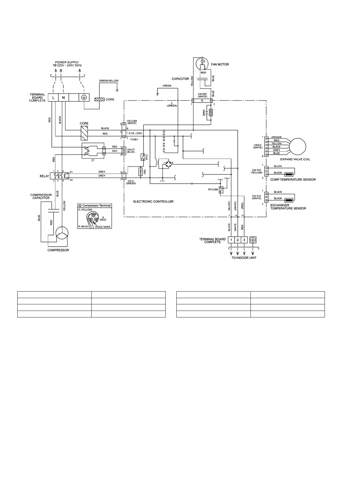
8.2. Outdoor Unit
8.2.1. CU-PC30JKF
Resistance of Compressor Windings
Note: Resistance at 20C of ambient temperature.
Resistance of Outdoor Fan Motor Windings
Note: Resistance at 20C of ambient temperature.
MODEL CU-PC30JKF
CONNECTION 2JD514D5AA03
C - R 0.675
C - S 2.279
MODEL CS-PC30JKF
CONNECTION CWA951658
BLUE - YELLOW 73.6
YELLOW - RED 94.8

Table of Contents

Related product manuals