EasyManua.ls Logo

Panasonic CU-PC30JKF - Page 17

Panasonic CU-PC30JKF
68 pages
Print Icon
To Next Page IconTo Next Page
To Next Page IconTo Next Page
To Previous Page IconTo Previous Page
To Previous Page IconTo Previous Page
Loading...
17
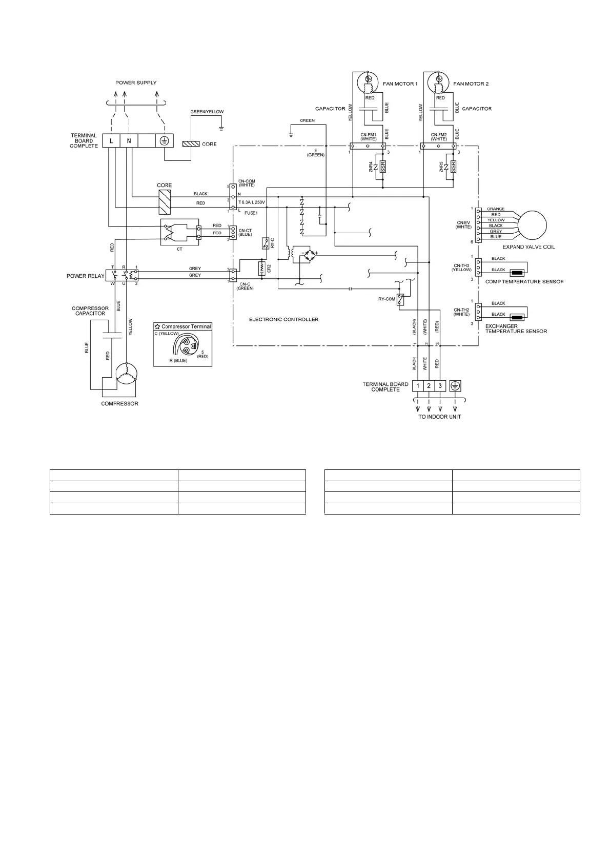
8.2.2. CU-PC36JKF
Resistance of Compressor Windings
Note: Resistance at 25C of ambient temperature.
Resistance of Outdoor Fan Motor Windings
Note: Resistance at 20C of ambient temperature.
MODEL CU-PC36JKF
CONNECTION ZR47K3-PFJ-512
C - R 1.67
C - S 0.59
MODEL CS-PC36JKF
CONNECTION CWA951366J / CWA951403J
BLUE - YELLOW 73.5
YELLOW - RED 102.0

Table of Contents

Related product manuals