EasyManua.ls Logo

Panasonic CU-PE12DKE - Refrigeration Cycle Diagram

Panasonic CU-PE12DKE
77 pages
Print Icon
To Next Page IconTo Next Page
To Next Page IconTo Next Page
To Previous Page IconTo Previous Page
To Previous Page IconTo Previous Page
Loading...
CS/CU-PE9DKE
CS/CU-PE12DKE
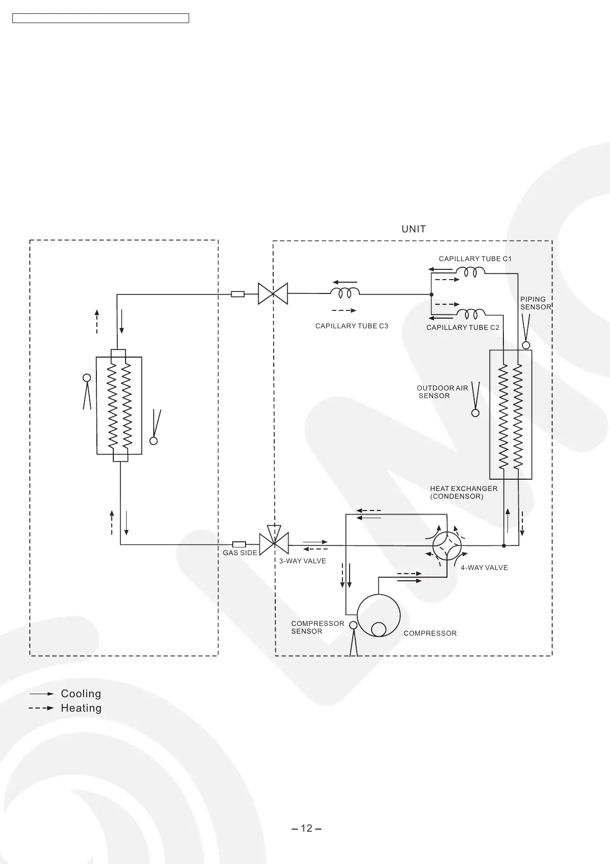
5 Refrigeration Cycle Diagram
12
CS-PE9DKE / CU-PE9DKE / CS-PE12DKE / CU-PE12DKE
INDOOR UNIT
INTAKE AIR
SENSOR
PIPING
SENSOR
HEAT EXCHANGER
(EVAPORATOR)
Cooling
Heating
GAS SIDE
3-WAY VALVE
LIQUID
SIDE
2-WAY
VALVE
OUTDOOR UNIT
CAPILLARY TUBE C3
CAPILLARY TUBE C1
CAPILLARY TUBE C2
OUTDOOR AIR
SENSOR
HEAT EXCHANGER
(CONDENSOR)
4-WAY VALVE
COMPRESSOR
PIPING
SENSOR
COMPRESSOR
SENSOR

Related product manuals