EasyManua.ls Logo

Panasonic CU-PE12DKE - Wiring Diagram

Panasonic CU-PE12DKE
77 pages
Print Icon
To Next Page IconTo Next Page
To Next Page IconTo Next Page
To Previous Page IconTo Previous Page
To Previous Page IconTo Previous Page
Loading...
CS-PE9DKE/CU-PE9DKE
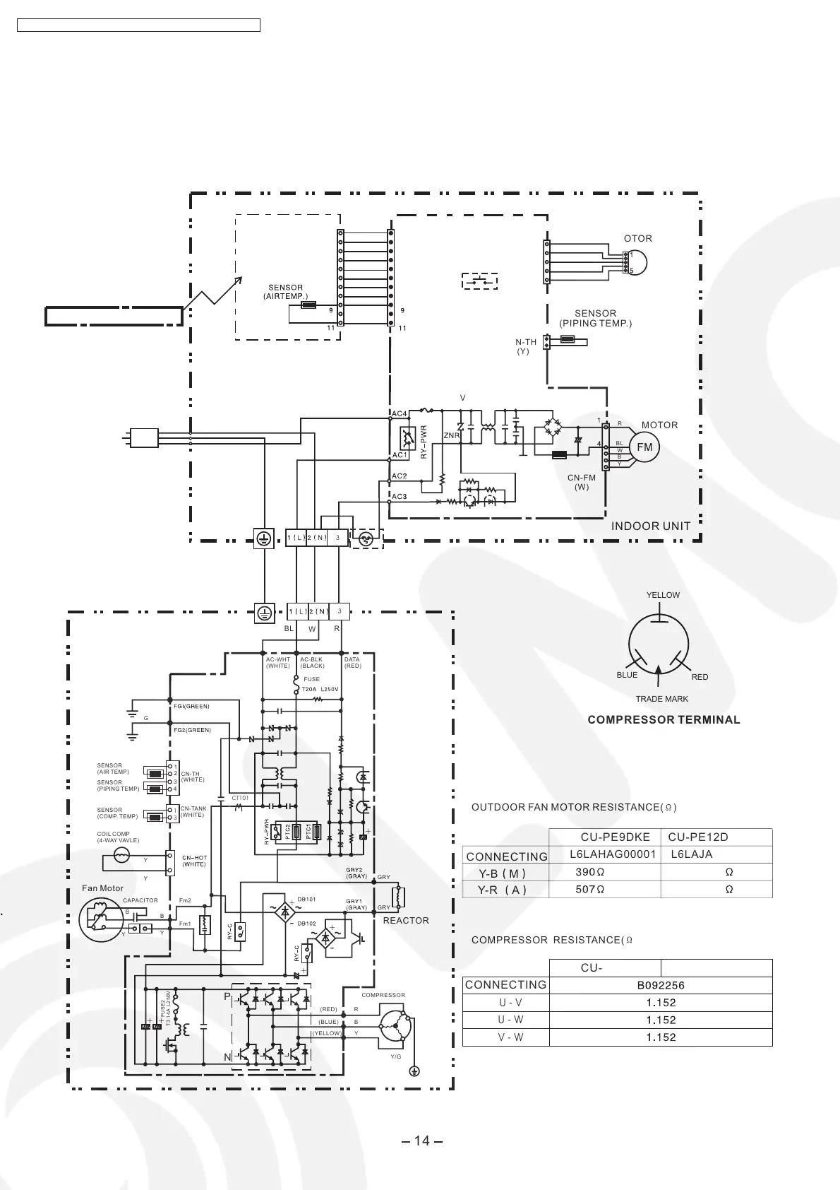
7 Wiring Diagram
14
CS-PE12DKE/CU-PE12DKE
CS-PE9DKE / CU-PE9DKE / CS-PE12DKE / CU-PE12DKE
(RED)
(BLUE)
(YELLOW)
GRY
GRY
+
-
+
-
+
+
AC-WHT
(WHITE)
AC-BLK
(BLACK)
DATA
(RED)
BL
W
R
CT101
G
G
CN-TH
(WHITE)
CN-TANK
(WHITE)
3
4
1
3
Fan Motor
Y
Y
N
P
++
FUSE2
T3.14A L250V
REACTOR
OUTDOOR UNIT
POWER SUPPLY CORD
BR
BL
R
B
FUSE
T 2.5A L 250V
AUTO SW
CN-DISP
(Y)
CN-STM
(W)
CN-TH
(Y)
CN-FM
(W)
R
BL
W
B
Y
ELECTRONIC
CONTROLLER
(DISPLAY,RECEIVER)
SENSOR
(PIPING TEMP.)
BR
R
O
Y
P
MOTOR
MOTOR
ELECTRONIC
CONTROLLER
(MAIN)
3
WIRELESS REMOTE CONTROL
3
W
U-V
U-W
V-W
L6LAHAG00001
T
TERMINAL
FUSE
1
2
SENSOR
(PIPING TEMP)
SENSOR
(AIR TEMP)
SENSOR
(COMP. TEMP)
COIL COMP
(4-WAY VAVLE)
R
B
Y
COMPRESSOR
Y/G
Y
Y
B
B
CAPACITOR Fm2
Fm1
TERMINAL
Y/G
COMPRESSOR TERMINAL
YELLOW
RED
BLUE
TRADE MARK
INDOOR UNIT
W
W
W
W
W
W
W
W
W
W
CN-DISP
(W)
CU-PE9DKE CU-PE12DKE
CONNECTING
Y-B M
Y-R A
OUTDOOR FAN MOTOR RESISTANCE( )
COMPRESSOR RESISTANCE( )
CONNECTING
L6LAJAG00001
290
287
CU-PE9DKE CU-PE12DKE

Related product manuals