EasyManua.ls Logo

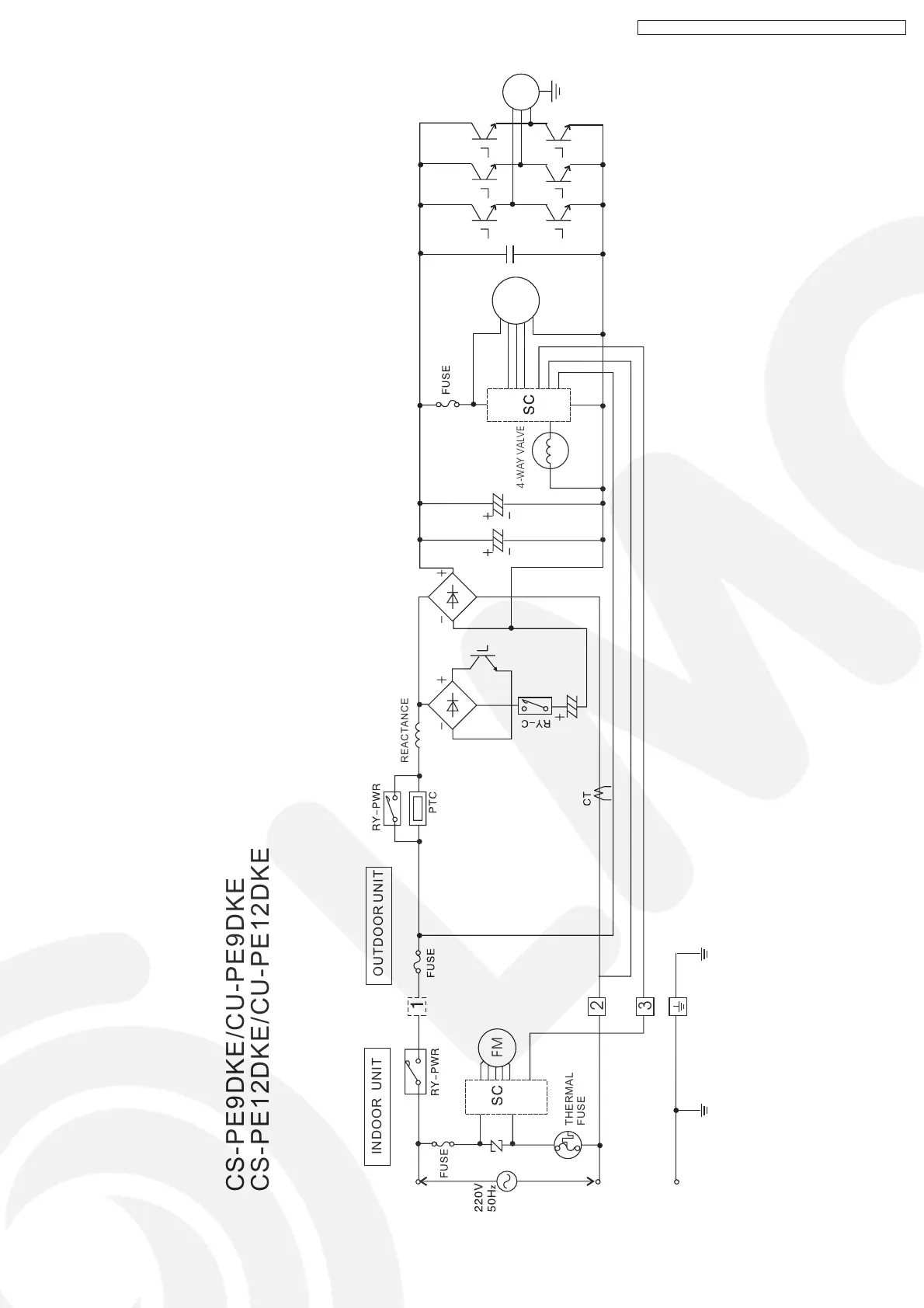
Panasonic CU-PE12DKE - Block Diagram

Panasonic CU-PE12DKE
77 pages
Print Icon
To Next Page IconTo Next Page
To Next Page IconTo Next Page
To Previous Page IconTo Previous Page
To Previous Page IconTo Previous Page
Loading...
CS-PE9DKE/CU-PE9DKE
CS-PE12DKE/CU-PE12DKE
FM
FM
FM
2
3
OUTDOOR UNIT
INDOOR UNIT
THERMAL
FUSE
4-WAY VALVE
REACTANCE
6 Block Diagram
CS-PE9DKE / CU-PE9DKE / CS-PE12DKE / CU-PE12DKE

Related product manuals