EasyManua.ls Logo

Panasonic CU-PE12DKE - Page 73

Panasonic CU-PE12DKE
77 pages
Print Icon
To Next Page IconTo Next Page
To Next Page IconTo Next Page
To Previous Page IconTo Previous Page
To Previous Page IconTo Previous Page
Loading...
T
e
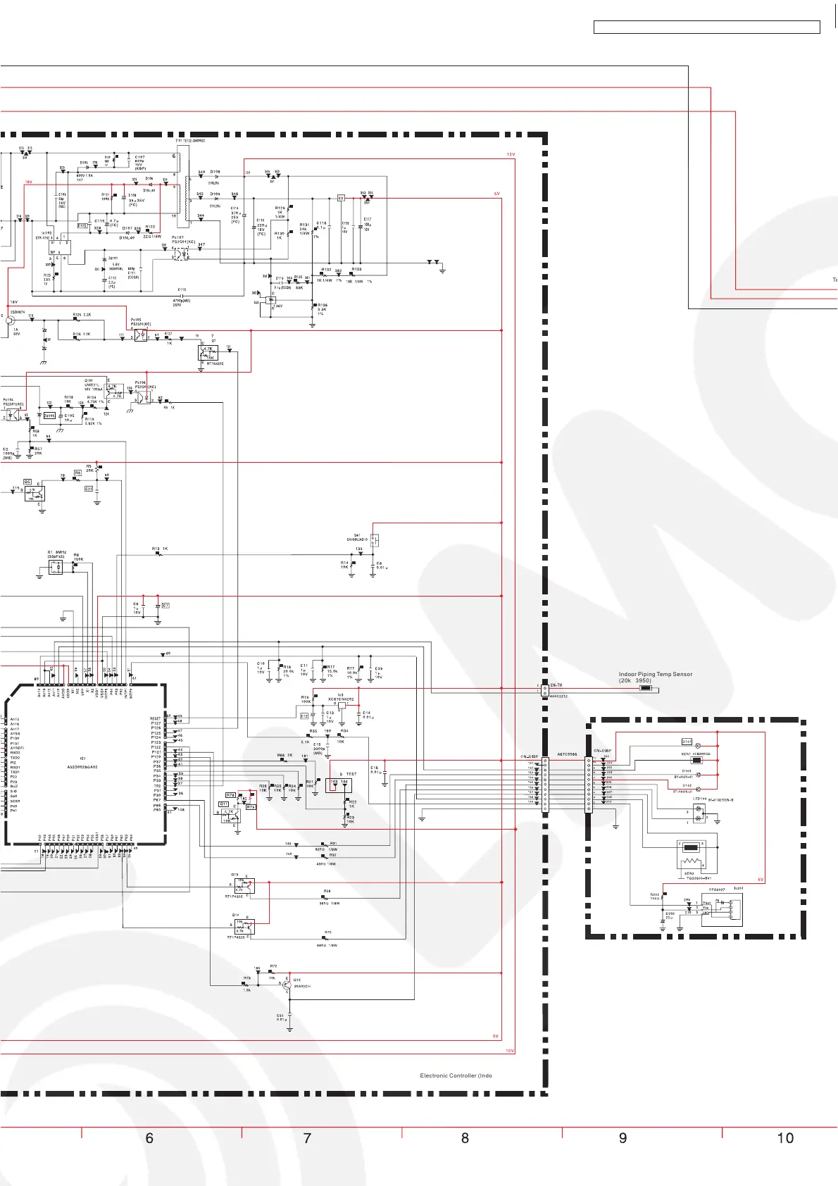
Electronic Controller (Indoor Main PCB)
Indoor Piping Temp Sensor
(20k 3950)
IC103
MM1431
ZD102
MA8082W
ZD106
MA8082W
Indoor Indication PCB
CS-PE9DKE/CU-PE9DKE/CS-PE12DKE/CU-PE12DKE
-73-

Related product manuals