EasyManua.ls Logo

Panasonic CU-PE12DKE - Page 75

Panasonic CU-PE12DKE
77 pages
Print Icon
To Next Page IconTo Next Page
To Next Page IconTo Next Page
To Previous Page IconTo Previous Page
To Previous Page IconTo Previous Page
Loading...
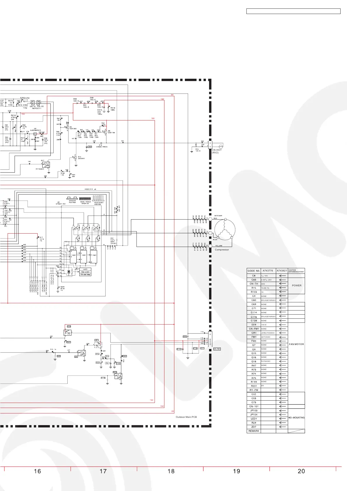
Compressor
Outdoor Main PCB
CN-HOT
(NV2)
A743776 A743821
1 10V
0.047 25V
XH4
15.0K 1%
1K
NONE
ERJ3GEY0R00V
NONE
NONE
NONE
ERJ3GEY0R00V
NONE
1A5-E
NONE
J0HBJY000004
A67C5043
NONE
NONE
NONE
NONE
NONE
RJ1N432C
NONE
NONE
NONE
NONE
NONE
ERJ3GEY0R00V
K6B1AGA00123
NONE
NONE
NONE
NONE
NONE
NONE
NONE
NONE
NONE
CU-PE9DKE
CU-PE12DKE
EMC
POWER
CAUTION
DIFFERENCE POINT
CS-PE9DKE/CU-PE9DKE/CS-PE12DKE/CU-PE12DKE
-75-

Related product manuals