EasyManua.ls Logo

Panasonic CU-PE12DKE - Page 77

Panasonic CU-PE12DKE
77 pages
Print Icon
To Previous Page IconTo Previous Page
To Previous Page IconTo Previous Page
Loading...
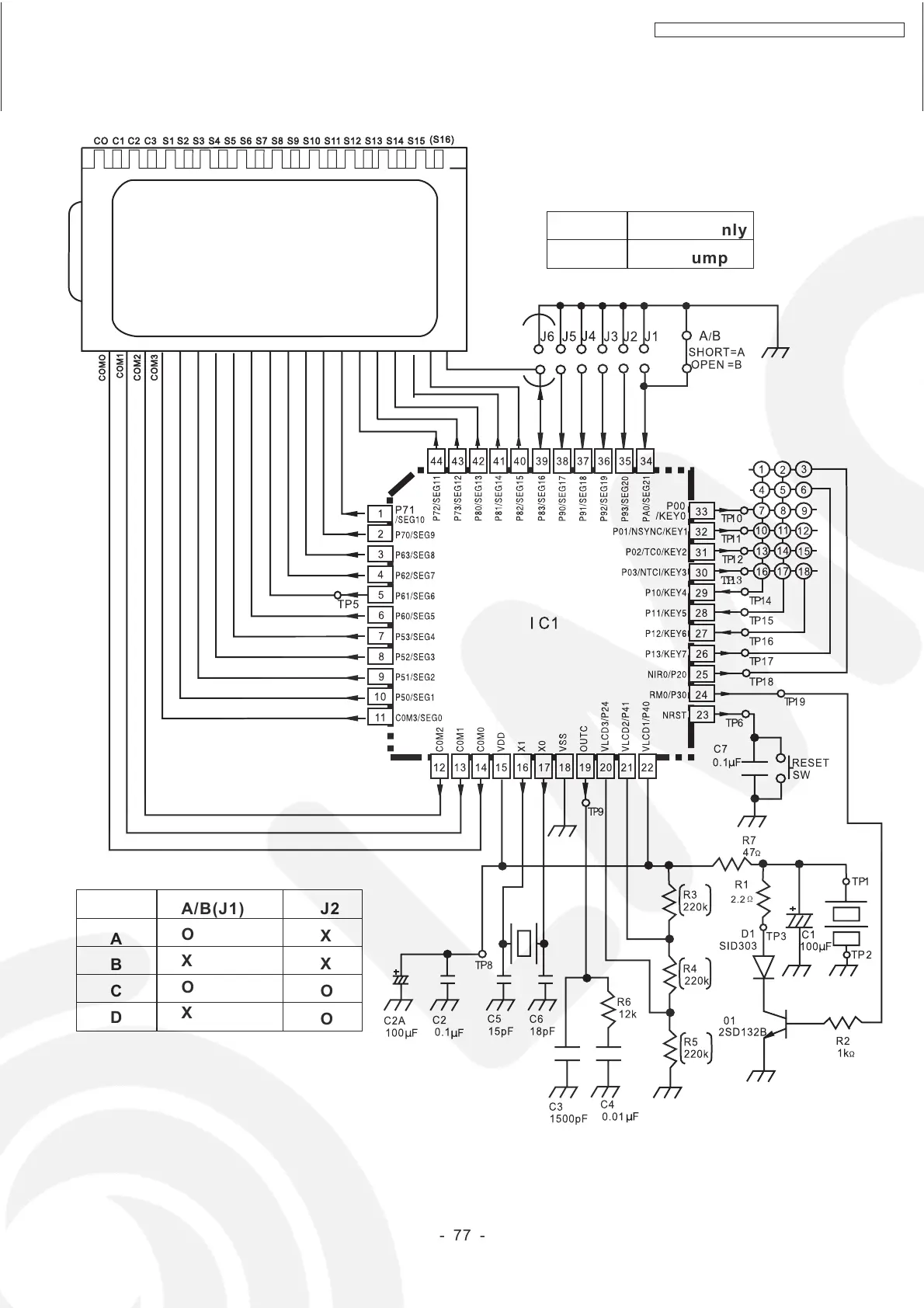
LCD
SEG1
SEG2
SEG3
SEG4
SEG5
SEG6
SEG7
SEG8
SEG9
SEG10
SEG11
SEG12
SEG13
SEG14
SEG15
SEG16
A/B(J1)
O
X
O
X
J2
X
X
O
O
A
B
C
D
O
X
Cooling Only
Heat Pump
J5 (Model)
-77-
CS-PE9DKE/CU-PE9DKE/CS-PE12DKE/CU-PE12DKE

Related product manuals