EasyManua.ls Logo

Panasonic CU-S24TKV - Page 37

Panasonic CU-S24TKV
168 pages
Print Icon
To Next Page IconTo Next Page
To Next Page IconTo Next Page
To Previous Page IconTo Previous Page
To Previous Page IconTo Previous Page
Loading...
37
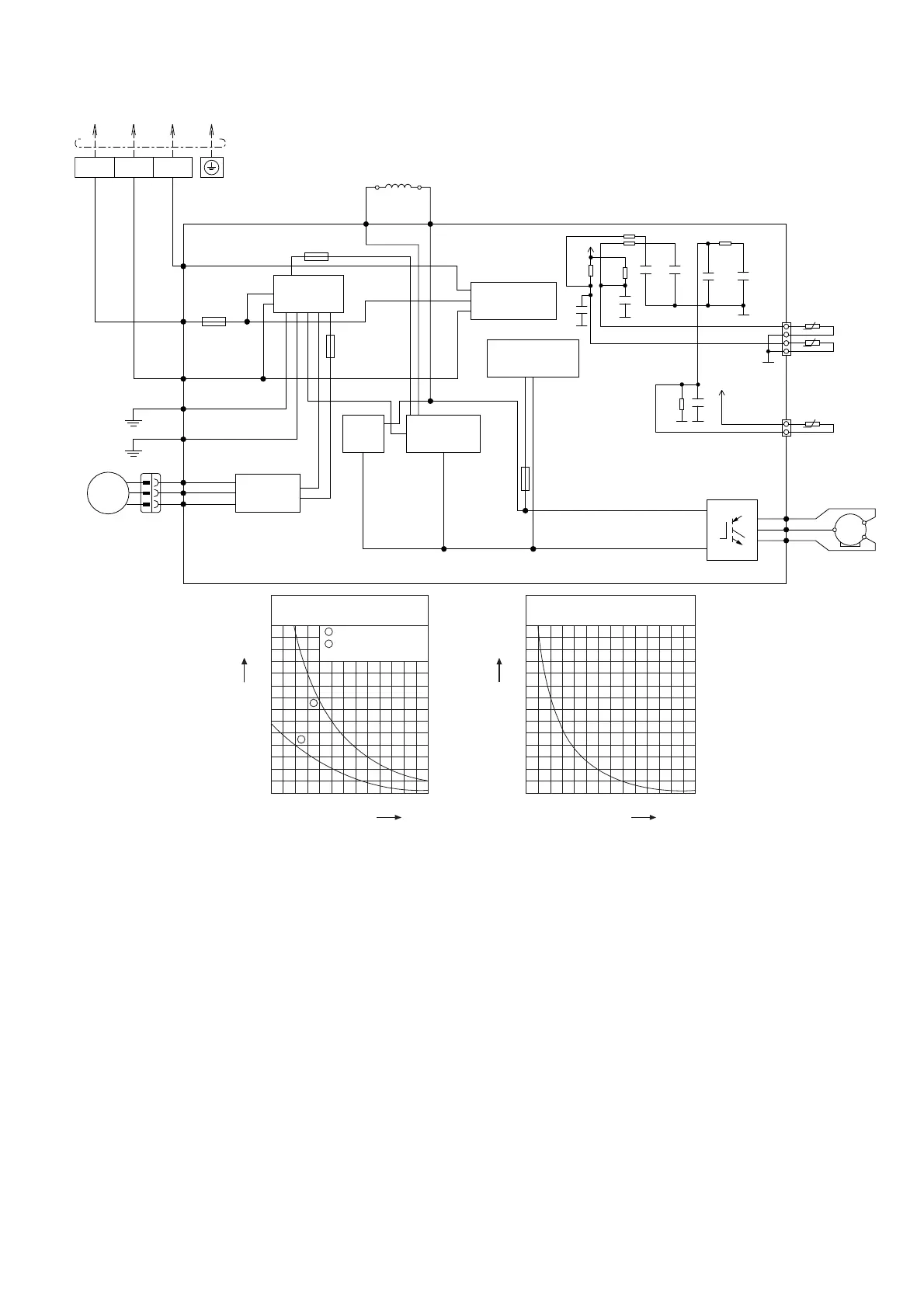
8.2.2 CU-S12TKV
TO INDOOR UNIT
1
(BLACK)
2
(WHITE)
3
(RED)
TERMINAL
BOARD
RED
DATA
(RED)
FUSE104
(15A 250V)
RAT2
(GRY)
RAT1
(GRY)
GRY GRY
REACTOR
CN-TH
(WHT)
OUTDOOR AIR TEMP.
SENSOR (THERMISTOR)
COMP. TEMPERATURE
SENSOR (THERMISTOR)
PIPING TEMP.
SENSOR (THERMISTOR)
1
2
CN-TANK
(WHT)
1
3
(RED)
U
P
N
V
W
(BLU)
(YLW)
RED
BLU
YLW
COMPRESSOR
MS
3~
3
4
AC-BLK
(BLK)
AC-WHT
(WHT)
FG1
(GRN)
GRN
GRN
FG2
(GRN)
FM1 (BLU)
FM2 (RED)
FM3 (YLW)
BLU
RED
YLW
FAN MOTOR
FAN MOTOR
CIRCUIT
PFC
CIRCUIT
RECTIFICATION
CIRCUIT
COMMUNICATION
CIRCUIT
NOISE FILTER
CIRCUIT
SWITCHING POWER
SUPPLY CIRCUIT
FUSE103
T3.15A L250V
FUSE101
(20A 250V)
FUSE102
T3.15 L250V)
WHT
BLK
M
1~
ELECTRONIC CONTROLLER
C3
G8 G8
R1
C6
G8
G8
5V
R11
R12
R23
R27
R24
C7
G8
C31C30
G5
C129 C34
5V
Sensor (Thermistor)
Characteristics
70
60
50
40
30
20
10
0
-10 0 10
Temperature (
o
C)
Resistance (k)
20 30 40 50
1
2
1
2
Outdoor Air Sensor
Outdoor Heat Exchanger
Sensor
Compressor Temp. Sensor
(Thermistor) Characteristics
70
60
50
40
30
20
10
0
20 40 60
Temperature (
o
C)
Resistance (k)
80 100 120 140

Table of Contents

Other manuals for Panasonic CU-S24TKV

Related product manuals