EasyManua.ls Logo

Panasonic CU-S24TKV - Page 38

Panasonic CU-S24TKV
168 pages
Print Icon
To Next Page IconTo Next Page
To Next Page IconTo Next Page
To Previous Page IconTo Previous Page
To Previous Page IconTo Previous Page
Loading...
38
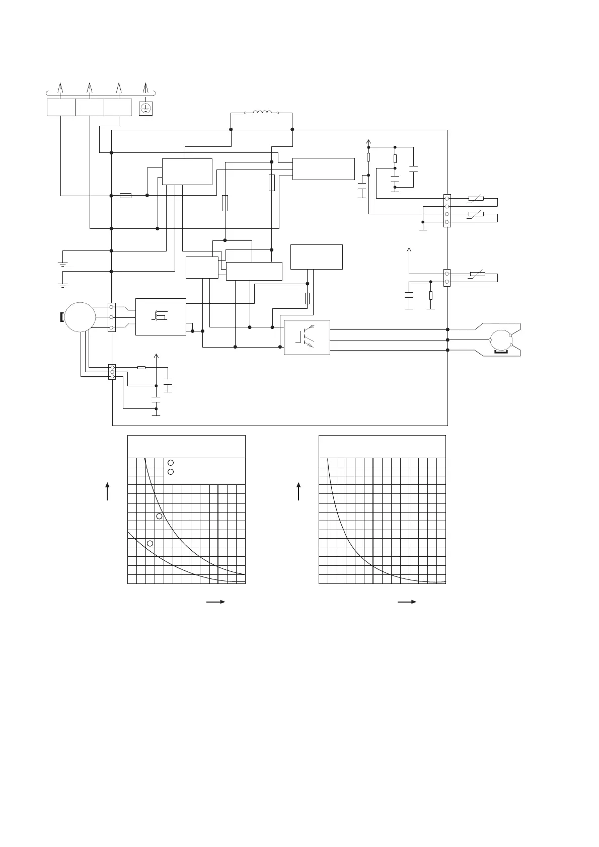
8.2.3 CU-S18TKV
*R313
*C186
C5
G2G2
R1
5V
Sensor (Thermistor)
Characteristics
70
60
50
40
30
20
10
0
-10 0 10
Tem p e r a tu r e (
o
C)
Resistance (kΩ)
20 30 40 50
1
2
1
2
Outdoor Air Sensor
Outdoor Heat Exchanger
Sensor
Compressor Temp. Sensor
(Thermistor) Characteristics
70
60
50
40
30
20
10
0
20 40 60
Temperature (
o
C)
Resistance (kΩ)
80 100 120 140
TO INDOOR UNIT
REACTOR
BLK
WHT
RED
NOISE FILTER
CIRCUIT
DATA
(RED)
AC-BLK
(BLK)
AC-WHT
(WHT)
FG1
(GRN)
FG2
(GRN)
1
1
3
5
3
W
10
14
16
IC19
V
U
CN-MTR2
(WHT)
CN-MTR1
(RED)
PFC
CIRCUIT
RECTIFICATION
CIRCUIT
COMMUNICATION
CIRCUIT
SWITCHING
POWER
SUPPLY CIRCUIT
FUSE 103
(20A 250V)
FUSE2
(20A 250V)
FUSE101
T3.15A L250V
FUSE3
(20A 250V)
FAN
MOTOR
GRN
GRN
1
(BLACK)
2
(WHITE)
3
(RED)
TERMINAL
BOARD
CN–TANK
(WHT)
RED
BLU
YLW
U (RED)
V (BLU)
W (YLW)
U
V
W
1
3
P
N
Q1
COMPRESSOR TEMP. SENSOR
(THERMISTOR)
COMPRESSOR
MS
3~
ELECTRONIC CONTROLLER
MS
3~
RAT2
(GRY)
GRY
RAT1
(GRY)
GRY
C9
G2
5V
R11
R12
C10
G2
C88
+
G2
CN–TH1
(WHT)
1
4
OUTDOOR AIR TEMP. SENSOR
(THERMISTOR)
PIPING TEMP. SENSOR
(THERMISTOR)
G5
G5
*C178
+
5V

Table of Contents

Other manuals for Panasonic CU-S24TKV

Related product manuals