EasyManua.ls Logo

Panasonic CU-S24TKV - Page 40

Panasonic CU-S24TKV
168 pages
Print Icon
To Next Page IconTo Next Page
To Next Page IconTo Next Page
To Previous Page IconTo Previous Page
To Previous Page IconTo Previous Page
Loading...
40
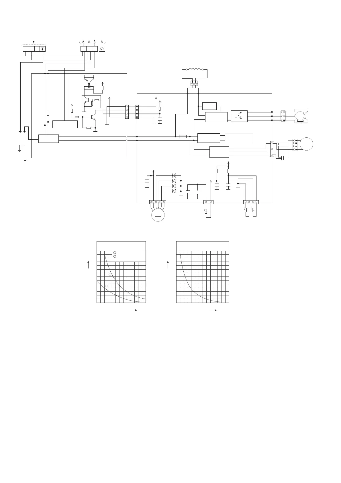
8.2.5 CU-S28TKV
Sensor (Thermistor)
Characteristics
70
60
50
40
30
20
10
0
-10 0 10
Temperature (
o
C)
Resistance (k Ω)
20 30 40 50
1
2
1
2
Outdoor Air Sensor
Outdoor Heat Exchanger
Sensor
Compressor Temp. Sensor
(Thermistor) Characteristics
70
60
50
40
30
20
10
0
20 40 60
Tempe r a t ure (
o
C)
Resistance (k Ω)
80 100 120 140
TERMINAL
BOARD
TERMINAL
BOARD
FUSE2
(T3.15A L250V)
FUSE3
(25A 250V)
L
N
BLK
WHT
1
11
44
23
1
1
2
2
TO INDOOR UNIT
POWER SUPPLY
BLK
BLK
BLK
L2-O
(BLACK)
BLK
GRY
GRY
L2-I
(GRAY)
WHT
WHT
YLW/GRN
YLW/GRN
GRN
ACN1
(WHITE)
ACL1
(BLACK)
COM3
(RED)
WHT
WHT
WHT
WHT
CN-COM
(YELLOW)
AC-BLK
(BLACK)
CN-BLK
(BLACK)
CN-WHT
(WHITE)
AC-WHT
(WHITE)
CN-COM
(YELLOW)
RED
REACTOR
ELECTRO-MAGNETIC
COIL (EXPANSION VALVE)
COMPRESSOR TEMP.
SENSOR (THERMISTOR)
OUTDOOR AIR TEMP.
SENSOR (THERMISTOR)
M
COMMUNICATION
CIRCUIT
NOISE FILTER
CIRCUIT
FAN MOTOR
CIRCUIT
ELECTRONIC CONTROLLER
(MAIN)
ELECTRONIC CONTROLLER
(NOISE FILTER)
FG1
(GREEN)
Q10
P
N
U
V
W
SWITCHING POWER
SUPPLY CIRCUIT
RECTIFICATION
CIRCUIT
PFC
CIRCUIT
RECTIFICATION
CIRCUIT
BLU
YLW
RED
(BLUE) V
(YELLOW) W
(RED) U
RED
YLW
ORG
BLU
BLU
CN-ACFM
(WHITE)
CN-TH1
(WHITE)
CN-TANK
(WHITE)
CN-EV
(WHITE)
FM CAPACITOR
(460V. 3.5øF)
FAN
MOTOR
BLU
YLW
RED
COMPRESSOR
MS
3~
M
1~
33
11
11
4
5
3
1
1413
61
4
PIPING TEMP. SENSOR
(THERMISTOR)
CABINET
SIDE
PLATE
13V
G2
G2
G5 G5
*C84
*D33
R410C49
*D34
*D35
*D36
5V
5V
R100R101
C45C46
G5 G5
G5
5V
G6
5V
R159
C63
G5
5V
G1
Q26
c
e
R427
R426
R425
b
G1
5V
G1
Q25
10k
4.7k
c
e
b
R422
1
4
2
3
PC8
5V

Table of Contents

Other manuals for Panasonic CU-S24TKV

Related product manuals