EasyManua.ls Logo

Panasonic DMP-BD81PU - Page 6

Panasonic DMP-BD81PU
84 pages
Print Icon
To Next Page IconTo Next Page
To Next Page IconTo Next Page
To Previous Page IconTo Previous Page
To Previous Page IconTo Previous Page
Loading...
6
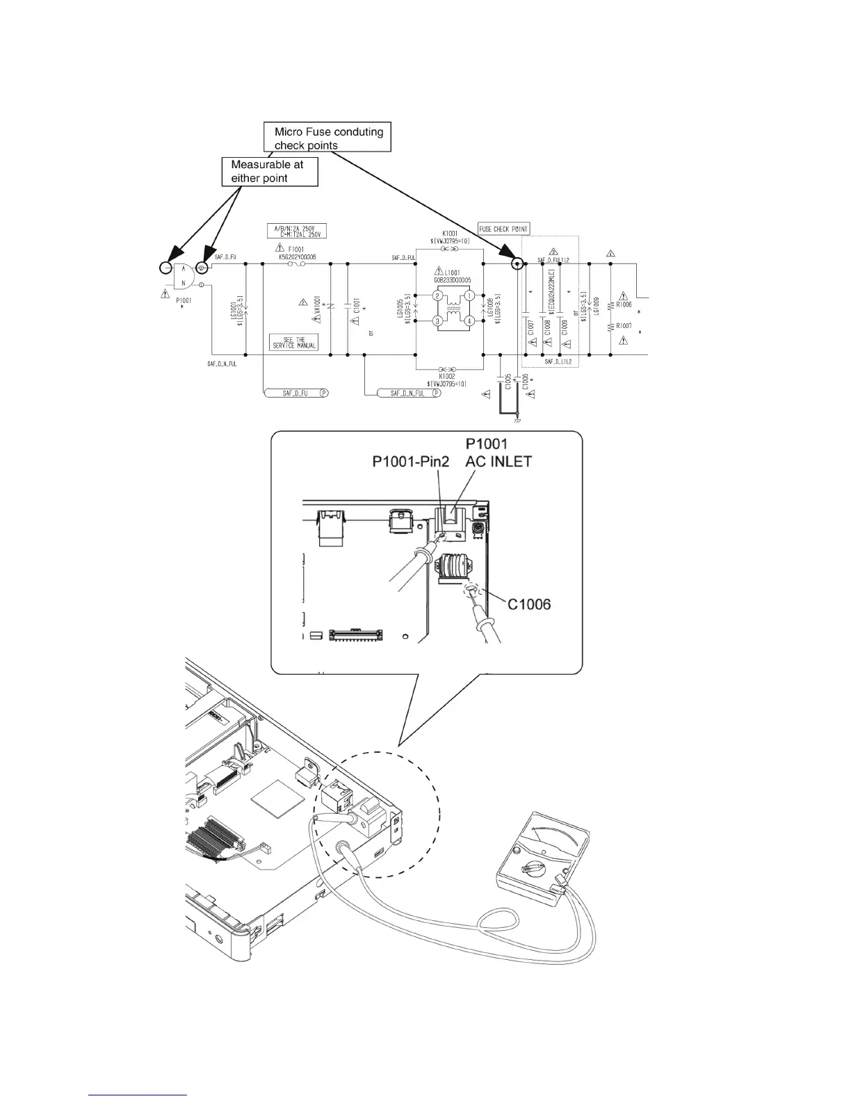
1.2.1. Micro Fuse conducting check
This unit uses the Micro Fuse.
Check the Micro Fuse conducting using the Tester at the check points below.

Related product manuals