EasyManua.ls Logo

Panasonic DMR-E75VP - Page 139

Panasonic DMR-E75VP
235 pages
Print Icon
To Next Page IconTo Next Page
To Next Page IconTo Next Page
To Previous Page IconTo Previous Page
To Previous Page IconTo Previous Page
Loading...
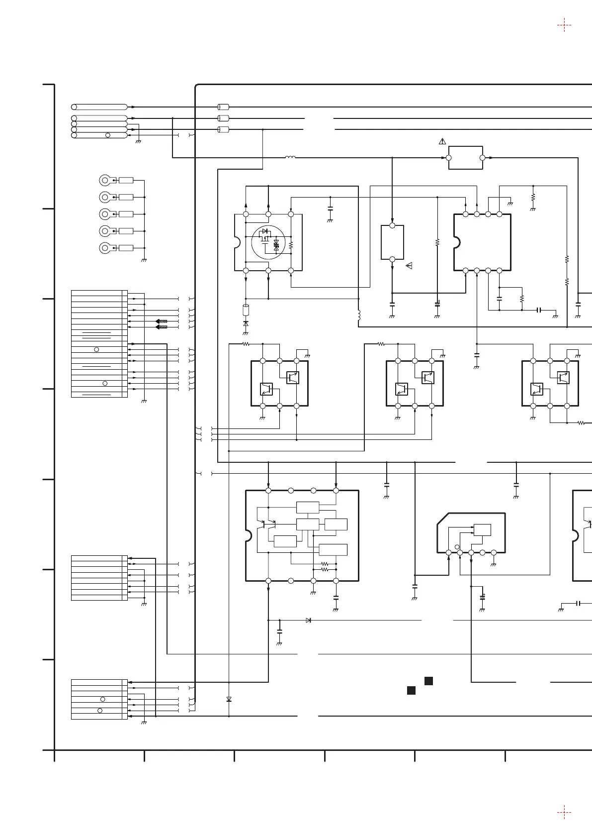
22.3. Digital I/F Section (Power & Digital I/F P.C.B.(2/2)) Schematic Diagram (D)
DMR-E75VP
Digital I/F Section (Power & Digital I/F P.C.B.(2/2))
Schematic Diagram (D)
H
H
H
L
L
L
H
H
SWITCH
POWER ON/OFF
VccVccVadj.Vout
VinVin
adj.
V
out
V
VBVin
< X SW15.5V >
< REG.D1.5V >
< REG.D1.2V >
< REG.D5V >
< AU5V >
0.1
C37589
Vin
Vout
ON
POWER
Vout
Vin
< X SW5.8V >
Vout
Vin
CONTVin
Vout
< AU5V >
VJR0978
ZJ37407
VJR0978
ZJ37406
VJR0978
ZJ37405
VJR0978
ZJ37404
VJR0978
ZJ37401
< X SW5.8V >
< X SW13V >
< AD5V >
< REG.ANA5V >
< REG.ANA3V >
< REG.5.2V >
270
R31506
10V47
C31524
:ON
< AD5V >
< REG.5.2V >
< REG.ANA5V >
:ON
10V47
C31518
A38
A9
A37
A36
A35
A34
A33
A32
A31
A30
A29
A28
A16
A15
A14
A13
A11
A10
A9
A7
A6
A5
A4
A3
1
C31520
1
C31513
1
C31514
G0C680JA0019
D37512
C31521 1 R31504 270
0.1
C31402
< REG.D1.2V >
0.1
C37546
< REG.D3.3V >
10V100
C31537
1
C31534
1
C31533
10V47
C31531
1
C31528
10V680
C31406
0.1
C31405
1
C31527
(REG.D+3.3V)
J0JHC0000012
LB31401
(POWER CONTROL)
4700P
C31416
< X SW5.8V >
< X SW13V >
A2
10K
R34050
10K
R34049
(XDMUTE DRIVE)
XN0421100L
QR34002
46
32
5
11
5
23
64
XN0421100L
QR34001
(XTMUTE DRIVE)
P
P
P
P
P
NCGNDDS
VOUTVDD
B0JACE000001
D37509
P
M
R
J
10K
R31403
5
123
64
LB37504 0
1
C31523
1
C31516
SHUTDOWN
THERMAL
VOLTAGE
REFERENCE
-
+
LIMIT
CURRENT
8765
330P
C31522
0.1
C31515
0.01
C31409
XN0421300L
QR31301
(POWER ON/OFF)
UNR221300L
QR31300
2K
R31512
22
R31510
1800
R31511
1K
R31509
33
R31507
200
R31508
LB31901
LB31905
10V680
C31413
R31407 3KR31411 330
L31402 47u
MA2Q73800L
D31401
1K
R31409
1000P
C31412
100K
R31406
4700P
C31411
C31410 330P
25V220
C31407
1
C31408
12
K5H2022A0011
IP31401
0
R31402
8200
R31410
0.01
C31403
51K
R31412
68P
C31404
12K
R31404
R31401 D1BFR039A010
25V220
C31400
0.1
C31401
1
2
33u
L31401
MA2Q73800L
D31400
L31400 22u
J0JHC0000032
LB31902
LB31903 J0JHC0000032
F
A
C
B
D
E
G
H
I
L
K
N
Q
321
45
(RESET FOR IC37501)
C0EBE0000218
IC37508
K5H2022A0011
IP31400
J0JHC0000032
LB31904
2
3
4
5
6
7
8
1
PP31903
FL DRIVE P.C.B.
TO PP7502
GND
FL RST
GND
FL CLK
GND
FL DATA
AD 5V
FL CS
2
3
4
5
6
7
1
P31905
(SYSCON/SERVO/TIMER SECTION)
MAIN P.C.B.
TO P6005
AD 5V
VTR CS
FL MUTE
GND
REMOCON
REG.5.2V
P SAVE
19
18
17
16
15
14
L123 SW DET
DVD POFF
SYNC DET
SLICER VIDEO
I2C5DT
2
3
4
5
6
7
8
9
1
11
10
12
P31903
(SYSCON/SERVO/TIMER SECTION)
MAIN P.C.B.
TO P6003
I2C5CK
MUTE
AU5V
MIXLOUT DM
VTR S IN
VTR S CLK
GND
VTR S OUT
AUGND
MIXROUT DM
13
DR P ON
X SW15.5V
X SW13V
GND
X SW5.8V
8765
43
OSC
1
START
SOFT
AMP OUT
GND
ON/OFF
P.
V OUTV IN
AMP(-)
ERROR
2
C0DAAJG00007
IC31401
8765
4321
AMP
ERROR
SS
VREF/
ON/OFF
P.
FB V
GND
DRIVE
FET
V OUTV IN
C0DBAKG00005
IC31400
C0DBEGG00003
IC31510
(REG.D+1.5V)
12 43
IC
C0DBEFG00003
IC31509
(REG.D+1.2V)
512 43
REG.
C0DBEGD00002
IC31508
(REG.ANA+3.3V)
512 43
(REG.ANA+5V)
C0DBAHG00013
IC31506
REG.
54321
C0CBCDD00006
IC31507
(REG.D+5V)
GND
LIMITTER
CURRENT
DRIVER
BIAS
SHUTDOWN
TERMINAL
REFERENCE
8765
4321
(REG.+5.2V)
C0CBCDD00008
IC31505
GND
REFERENCE
SHUTDOWN
TERMINAL
BIAS
DRIVER
LIMITTER
CURRENT
8765
4321
G
S
D
(FET Drive)
B1DHDD000022
Q31401
456
321
11109876
G
F
E
D
C
B
5432
A
1
B
P:Power Supply Section(Page: )
D:Digital I/F Section(Page: )
A
B
80

Related product manuals