EasyManua.ls Logo

Panasonic DMR-E75VP - Page 151

Panasonic DMR-E75VP
235 pages
Print Icon
To Next Page IconTo Next Page
To Next Page IconTo Next Page
To Previous Page IconTo Previous Page
To Previous Page IconTo Previous Page
Loading...
L
H
L
NOISE
SW
NOISE
SW
TIMING
HOLD
< X SW5.8V >
VFM GND
AU GND S
A44
A42
A45
A47
A46
A39
A38
A45A14A13A12A23
ENVE
FM MIX
GND2
A36
A35
A8
A6
A19
A7
A5
A18
A17
A11
A40
A44
A37
A42
< REG.A 5V >
< REG.A 5V >
56K
R4501
56K
R4515
6V22
C4523
0.047
C4501
510
R4521
4700
R4520
D
AUDIO MIX R OUT DM S
AUDIO MIX L OUT DM S
P4502
I/O P.C.B.
TO PS43002
3
2
1
4
5
6
7
VHS L OUT
VHS R OUT
A GND
X SW 5.8V
AUDIO MIX R OUT DM
A GND
AUDIO MIX L OUT DM
V
VAUDIO LINE OUT R
AUDIO LINE OUT L
510
R4522
0.047
C4522
4700
R4508
P4503
I/O P.C.B.
TO PS43003
I2C5DT
I2C5CK
V GND
V GND
INSEL A
V REG5V
L1 DET
CPN C IN1
CPN Y IN1
INSEL B
CPS DET
DVD AUDIO OUT L
DVD AUDIO OUT R
MIX V OUT
18
17
16
15
14
13
12
11
10
9
8
7
6
5
4
3
2
1
V
VV REG5V
L1 DET
SINSEL A
VV GND
VMIX V OUT
DVD AUDIO OUT R
DVD AUDIO OUT L V
V
S
SINSEL B
CPS DET
V
VCPN C IN1
CPN Y IN1
R4519 75K
R4518 75K
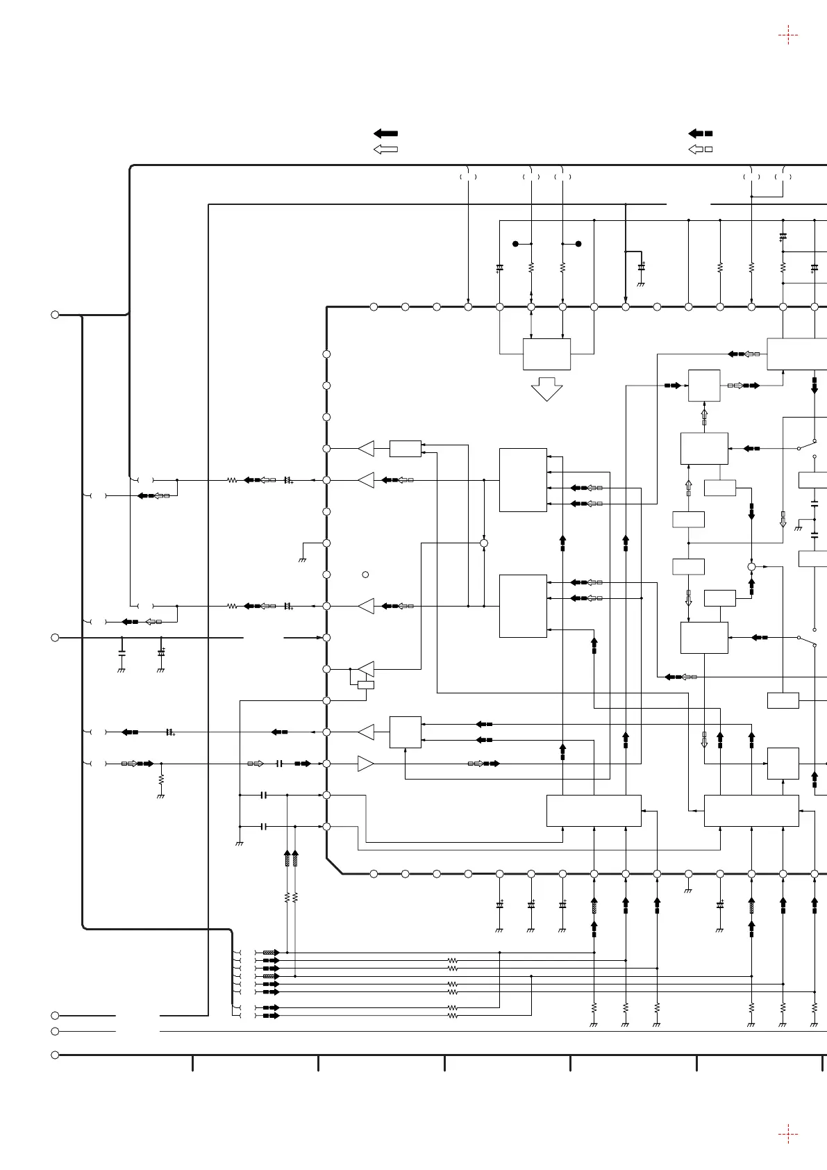
(AUDIO PROCESSOR)
< REG.12V >
TW1342
AN3656NFBPBV
IC4501
TW4501
C4518 0.01
TL4502 TL4501
16V22
C4525
0.01
C4538
A
B
C
35V10
C4521
DVD AUDIO EE SIGNAL
DVD VIDEO EE SIGNAL
6V22
C4517
(AUDIO MUTE)
UNR521500L
QR4303
(AUDIO MUTE)
UNR521500L
QR4302
16V10
C4516
1K
R4539
1K
R4540
39K
R4538
6V33
C4515
35V10
C4514
6V22
C4513
C4535 0.015
R4534 120K
C4512 0.22
0.01
C4510
0.01
C4509
0.033
C4508
0.015
C4534
6V22
C4507
35V10
C4506
R4502 47K
R4503 47K
R4509 47K
R4511 47K
6200
R4512
6200
R4510
10K
R4557
6200
R4506
6200
R4505
10K
R4553
6V33
C4505
35V10
C4504
35V10
C4503
35V10
C4502
6800
R4602
6.8K
C4574
6.8K
C4573
0.1
C4524
35V10
C4520
1500
R4306
35V10
C4519
1500
R4305
V
V
V
V
S
S
S
AUDIO HEAD SW
ABS NORMAL
D REC
AUDIO HEAD GND
AUDIO HEAD COM
AUDIO HEAD R
AUDIO HEAD L
(AUDIO MUTE)
UNR511300L
QR4304
0.1
C4511
TL4507
TW4502
1K
R4500
B0AAED000003
D4501
680
R4529
390u
L4502
56P
C4537
1K
R4525
LED PORT
VCC(5V)
MAIN REF
DEM REF
SUB LEVDET
RCH
DEMODULATOR
MODULATOR/
FM
SWITCH
AGC &
RCH
VCC(5V)
LPF
RCH BPF
LCH BPF
PNR RCH
INTERFACE
IIC BUS
VCOFO
GND
AGC
+
DC2
REC
HIF/NOR
GND(R)
OUT
ENV.DET
LCH
PNR
LPF
LCH
DEMODULATOR
MODULATOR/
FM
SWITCH
AGC &
LCH
INPUT SWITCH LCH
(L)
GND
INPUT SWITCH RCH
LCH
SWITCH
SELECT
OUTPUT
ADJ.
REC AGC
CONTROL
MUTE
(5V)
VCC
SWITCH
&
PREAMP
VREF
SWITCH
OUTPUT
NORMAL
DET
+
RCH
SWITCH
SELECT
OUTPUT
LCH
SWITCH
32
31
30
29
28
27
26
25
24
23
22
21
20
19
17
18
33343536373839404142434445464748
GND
VCC(12V)
161514131211109
49
50
51
52
53
54
55
56
57
58
59
60
61
62
63
12345678
64
E
22212019181716151412 13
ORDERING.WHEN YOU ORDER A PART,PLEASE REFER TO PARTS LIST.
NOTE:DO NOT USE ANY PART NUMBER SHOWN ON THIS SCHEMATIC DIAGRAM FOR
AUDIO MAIN SIGNAL PATH IN PLAYBACK MODE
AUDIO MAIN SIGNAL PATH IN REC MODE
VIDEO MAIN SIGNAL PATH IN PLAYBACK MODE
VIDEO MAIN SIGNAL PATH IN REC MODE
D
C
E
S:Syscon/Servo/Timer Section(Page: )
V:Video Section(Page: )
A:Hi-Fi Audio Section(Page: )
DMR-E75VP Hi-Fi Audio Section (Main P.C.B.(2/3)) Schematic Diagram (A)
DMR-E75VP Hi-Fi Audio Section (Main P.C.B.(2/3)) Schematic Diagram (A)
D
86

Related product manuals