EasyManua.ls Logo

Panasonic DMR-E75VP - Page 159

Panasonic DMR-E75VP
235 pages
Print Icon
To Next Page IconTo Next Page
To Next Page IconTo Next Page
To Previous Page IconTo Previous Page
To Previous Page IconTo Previous Page
Loading...
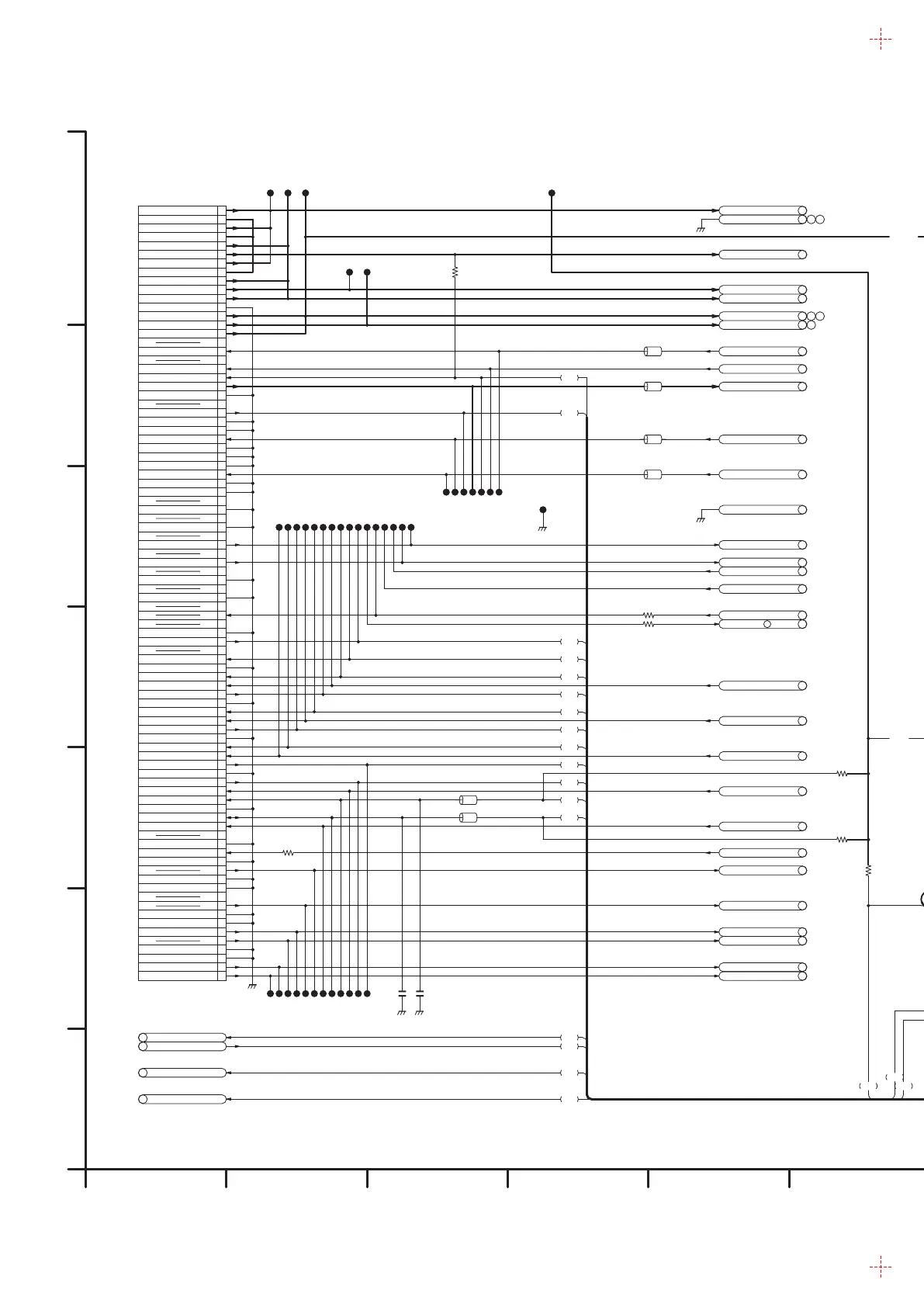
22.7. Glue Net Section (Digital P.C.B.(1/4)) Schematic Diagram (GN)
H
<D5V>
< D3.3V >< D3.3V >
C30
C29
C28
C2 C3 C8 C6C27C26
C25
C24C23C22C21C5
C9
C4C7C20
C19
C14
C15
C18
C17
C16
C15
C14
C13
C12
C11
C10
C9
C8
C7
C6
C5
C4
C3
C2
C1
CKG52
2200
R6731
3300
R6710
3300
R6709
AI
AUGND
EN
MC
MC
MC
EN
EN
EN
EN
EN
EN
MC
MC
MC
MC
MC
MC
MC
MC
MC
MC
AI
AI
AI
AI
AI
AI
MC
MCEN
MCAI EN
EN
EN
EN
MCENAI
DGND
MC
C
B
A
1K
R6739
R6738 47
R6737 47
XCE
DE7
DE6
DE5
DE4DE3
DE2
DE1
DE0
XWP
ALE
CLE
CPNCIN DM
V YIN DM
G/CY IN
RGB CPSVIN
B CB IN
R CR IN
BSON
COUT DM
YOUT DM
GPYOUT DM
BPBOUT DM
RPROUT DM
EPG ON
PRGSEL
ITM2A
ITA2M
AADC R
AADC L
MIXROUT DM
MIXLOUT DM
AU5V
XDMUTE
IECOUT
ANA3.3V
D3.3V
D1.5V
ANA5V
D5V
D1.2V
XVDSPCS
XIRQ0
UARTM2G
UARTG2M
CPNCIN DM
V YIN DM
DGND
DGND
RGB CPSVIN
DGND
DGND
DGND
DGND
DGND
BSON
DGND
COUT DM
I2C5DT
DGND
I2C5CK
YOUT DM
SCURVE1
DGND
SCURVE0
GPYOUT DM
XINTM
DGND
XINTP
BPBOUT DM
DGND
XFWE
SCLK
RPROUT DM
XMPREQ
DGND
SBMTP
SBMTM
DGND
DGND
DGND
AADC R
AADC L
AUGND
AUGND
AUGND
DGND
MIXROUT DM
DGND
AUGND
DGND
MIXLOUT DM
DGND
AUGND
UARTP2G
DGND
AU5V
UARTG2P
XDMUTE
IECOUT
D3.3V
ANA3.3V
D3.3V
GND
D1.5V
ANA5V
D1.5V
X SW 5.8V
D1.2V
D5V
D1.5V
X SW 5.8V
D1.2V
X SW 5.8V
D1.2V
LB9001 J0JHC0000032
LB9002 J0JHC0000032
CKG83
CKG75CKG79
CKG74
CKG78
CKG82
CKG72
CKG70
CKG69
CKG68
CKG65
CKG62
CKG58
CKG50
CKG48
CKG47
CKG45
CKG42
CKG41
CKG39
CKG37
CKG35
CKG34
CKG33
CKG31
CKG30
CKG29
CKG27
CKG26
CKG25
CKG23
CKG22
CKG21
CKG19
CKG18
CKG13
CKG9
CKG6
CKG5
CKG2
CKG1
47
R6750
R6751 47
R6752 100
J0JCC0000103
LB9006
J0JCC0000103
LB9007
LB9008 J0JHC0000045
J0JHC0000046
LB9009
B1ABCF000114
Q6701
(BUFFER)
1
3
5
7
2
4
6
8
47X4
RX6734
B1ABCF000114
Q6702
(BUFFER)
B1ABCF000114
Q6703
(BUFFER)
(BUFFER)
B1ABCF000114
Q6704
(BUFFER)
B1ABCF000114
Q6705
10K
R6733
4700
R6735
4.7KX4
RX6737
2468
13577531
8642
7531
8642
10K
R6730
100K
R6729
10K
R6741
F1H0J4740004
FL6703
2.2KX4
RX6735
10KX4
RX6736
47P
C9001
47P
C9002
P9001
(DIGITAL I/F SEC.)
POWER & DIGITAL I/F P.C.B.
TO P39702
VSS
D3
NC
NC
NC
NC
NC
NC
NC
NC
NC
NC
XWP
XWE
ALE
CLE
D0
VSS
VCC
D4
D5
D6
D7
NC
NC
NC
NC
NC
NC
NC
NC
NC
D1
NC
XSE
RXB
XRE
XCE
VCC
D2
REP3717G
(DATA STRAGE)
IC6702
2324252627282930313235363738394041424344
2221201918171615141310987654321
88
87
86
85
84
83
82
81
80
79
78
77
76
75
74
73
72
71
70
69
68
67
66
65
64
63
62
61
60
59
58
57
56
55
54
53
52
51
50
49
48
47
46
45
44
43
42
41
40
39
38
37
36
35
34
33
32
31
30
29
28
27
26
25
24
23
22
21
20
19
18
17
16
15
14
13
12
11
10
9
8
7
6
5
4
3
2
1
D
G
F
E
D
C
B
A
1110987654321
F
DMR-E75VP
Glue Net Section (Digital P.C.B.(1/4))
Schematic Diagram (GN)
GN:Glue Net Section(Page: )
F
EN:AV Encoder/RTSC Section(Page: )
G
MC:AV Decoder/Main CPU Section(Page: )
H
AI:Audio I/O Section(Page: )
I
90

Related product manuals