EasyManua.ls Logo

Panasonic DMR-E75VP - Page 175

Panasonic DMR-E75VP
235 pages
Print Icon
To Next Page IconTo Next Page
To Next Page IconTo Next Page
To Previous Page IconTo Previous Page
To Previous Page IconTo Previous Page
Loading...
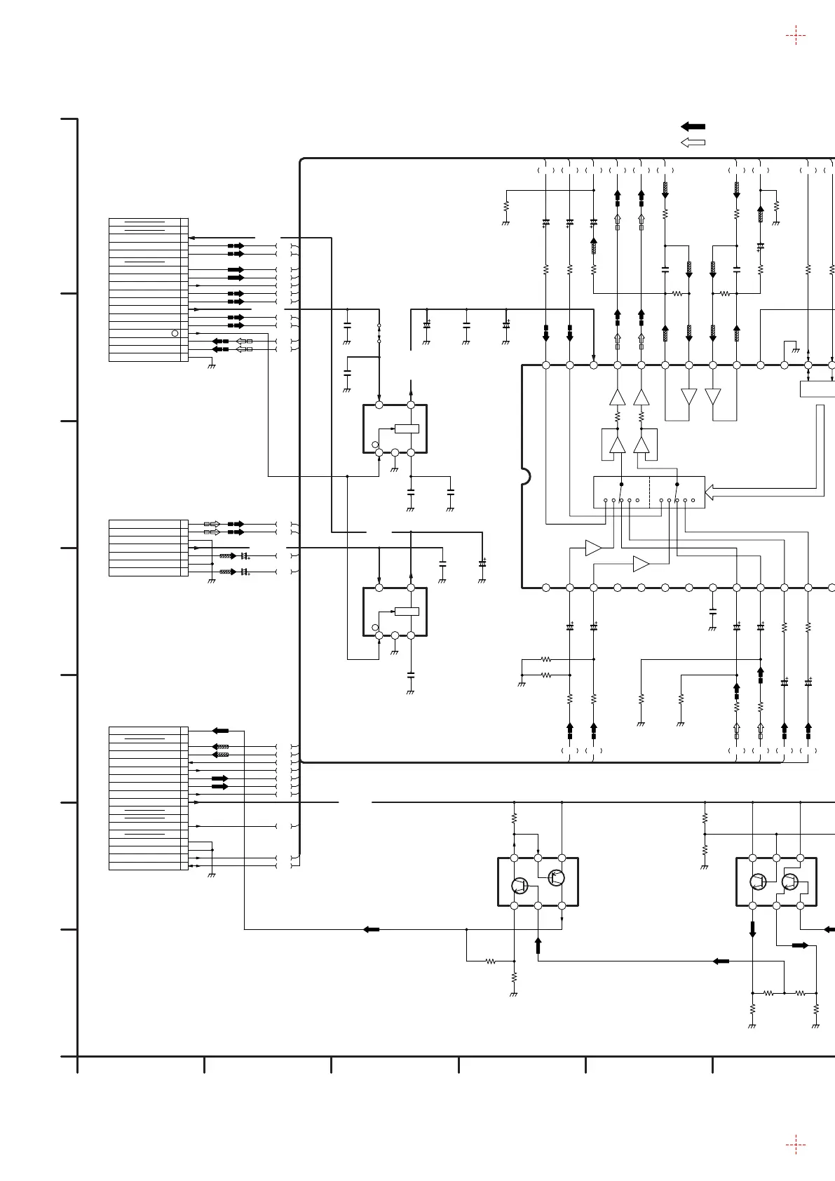
22.11. A/V I/O Schematic Diagram
H
L
H
DET.
LINE
L DM
MIX
R DM
MIX
+12V
L2 IN R
L2 IN L
REG.
:ON
VOUTVIN
A5 A22
A24A20A7
A21A27A23A6A29A30A19A17A16A12A13A18A8A9
A4A3A15A14A11A10
A30
A29
A27
A24
A23
A22
A21
A20
A19
A18
A17
A16
A15
A14
A13
A12
A11
A10
A9
A8
A7
A6
A5
A4
A3
< AU+5V>
< AU+5V>
IN THE PARTS LIST,AND MAY BE SLIGHTLY DIFFERNT OR AMENDED SINCE THIS DRAWING WAS PREPARED.
NOTE:DO NOT USE THE PART NUMBER SHOWN ON THIS DRAWING FOR ORDERRING.THE CORRECT PART NUMBER IS SHOWN
< V REG5V>< V REG5V>
< REG12V>
< X SW13V >
< X SW5.8V >
DVD AUDIO SIGNALAUDIO MAIN SIGNAL PATH IN REC MODE
AUDIO MAIN SIGNAL PATH IN PLAYBACK MODEVIDEO MAIN SIGNAL PATH IN PLAYBACK MODE
VIDEO MAIN SIGNAL PATH IN REC MODE
0.01
C43922
0.01
C43976
C43921 0.1
10K
R43917
10K
R43918
47K
R43920
35V10
C43973
35V10
C43971
0.01
C43975
0.01
C43974
22K
R43972
33K
R43971
1K
R43973
1K
R43976
22K
R43977
33K
R43978
680
R43981
470
R43980
1K
R43979
R44011 1K
R44012 1K
R44013 0
R44014 0
C44003 50V1
C44004 50V1
C44005 50V1
C44006 50V1
0.01
C44011
10K
R44006
10K
R44005
0
R44017
0
R44018
R44015 47K
R44016 47K
50V1
C44014
50V1
C44013
0.1
C44047
6V470
C44049
0.1
C44046
0.1
C44051
0.1
C44050
K44008
0.1
C44045
0.1
C44043
16V470
C44023
0.1
C44022
16V470
C44052
12K
R44027
16V220
C44016
R44025 100
100
R44024
47K
R44059
16V47
C44038
0
R44039
C44017 47P
24K
R44074
24K
R44075
12K
R44029
C44019 47P
47K
R44060
C44036 16V47R44042 0
C44026 50V1R44031 1K
R44032 1K C44027 50V1
C44024 25V47
C44025 25V47
470
R43974
470
R43975
456
XN0650100L
Q43971
321
(Y/C MIX)
(REG.AU+5V)
3
C0CBCDC00026
IC44004
21
45
(REG.+12V)
C0CBCDC00027
IC44005
VIN VOUT
:ON
REG.
321
45
SELECTOR SWITCH
AUDIO BUFFER &
C1AB00001920
IC44001
456
321
(VIDEO AMP)
XN0460100L
Q43972
PS43003
(Hi-Fi AUDIO SECTION)
MAIN P.C.B.
TO P4503
PS43002
(Hi-Fi AUDIO SECTION)
MAIN P.C.B.
TO P4502
I2C5DT
I2C5CK
V GND
V GND
INSEL A
V REG 5V
L1 DET
CPN C IN1
CPN Y IN1
INSEL B
CPS DET
DVD AUDIO OUT L
DVD AUDIO OUT R
MIX V OUT
AUDIO MIX L OUT DM
A GND
AUDIO MIX R OUT DM
X SW 5.8V
A GND
VHS R OUT
VHS L OUT
A GND
ADC L
ADC R
DVD POWER OFF
AUDIO TUN IN R
AUDIO TUN IN L
X SW13V
AUDIO L2 IN L
AUDIO L2 IN R
L2 DET
CPN C IN2
CPN Y IN2
AUDIO L1 IN R
AUDIO L1 IN L
AU5V
PS43001
(Hi-Fi AUDIO SECTION)
MAIN P.C.B.
TO P4501
C
Y
C3
IN B
INH
IN AY3
C1C3
Y3Y1Y2
C2
SW LOGIC
VSSVEE
VDD
(Y/C IN SELECTOR SW.)
C0JBAR000285
IC43905
754321
910111213141516
86
18
17
16
15
14
13
12
11
10
9
8
7
6
5
4
3
1
2
7
6
5
4
3
1
2
18
17
16
15
14
13
12
11
10
9
8
7
6
5
4
3
2
1
INHL1L3L2L3
IN BIN ARCC1C2
SW LOGIC
R
TU IN
TU IN L
L1 IN R
L1 IN L
VHS R
VHS L
AMPAMP
RchLch
+-+-
INTERFACE
IIC BUS
SELECTOR
INPUT
VSSVEE
VDD
(LINE DET.SELECTOR SW.)
C0JBAR000285
IC43904
754321
910111213141516
86
17181920212223242526272829303132
16151413121110987654321
1110987654321
G
F
E
D
C
B
A
DMR-E75VP
Audio/Video I/O Schematic Diagram
98

Related product manuals