EasyManua.ls Logo

Panasonic DMR-E75VP - Page 179

Panasonic DMR-E75VP
235 pages
Print Icon
To Next Page IconTo Next Page
To Next Page IconTo Next Page
To Previous Page IconTo Previous Page
To Previous Page IconTo Previous Page
Loading...
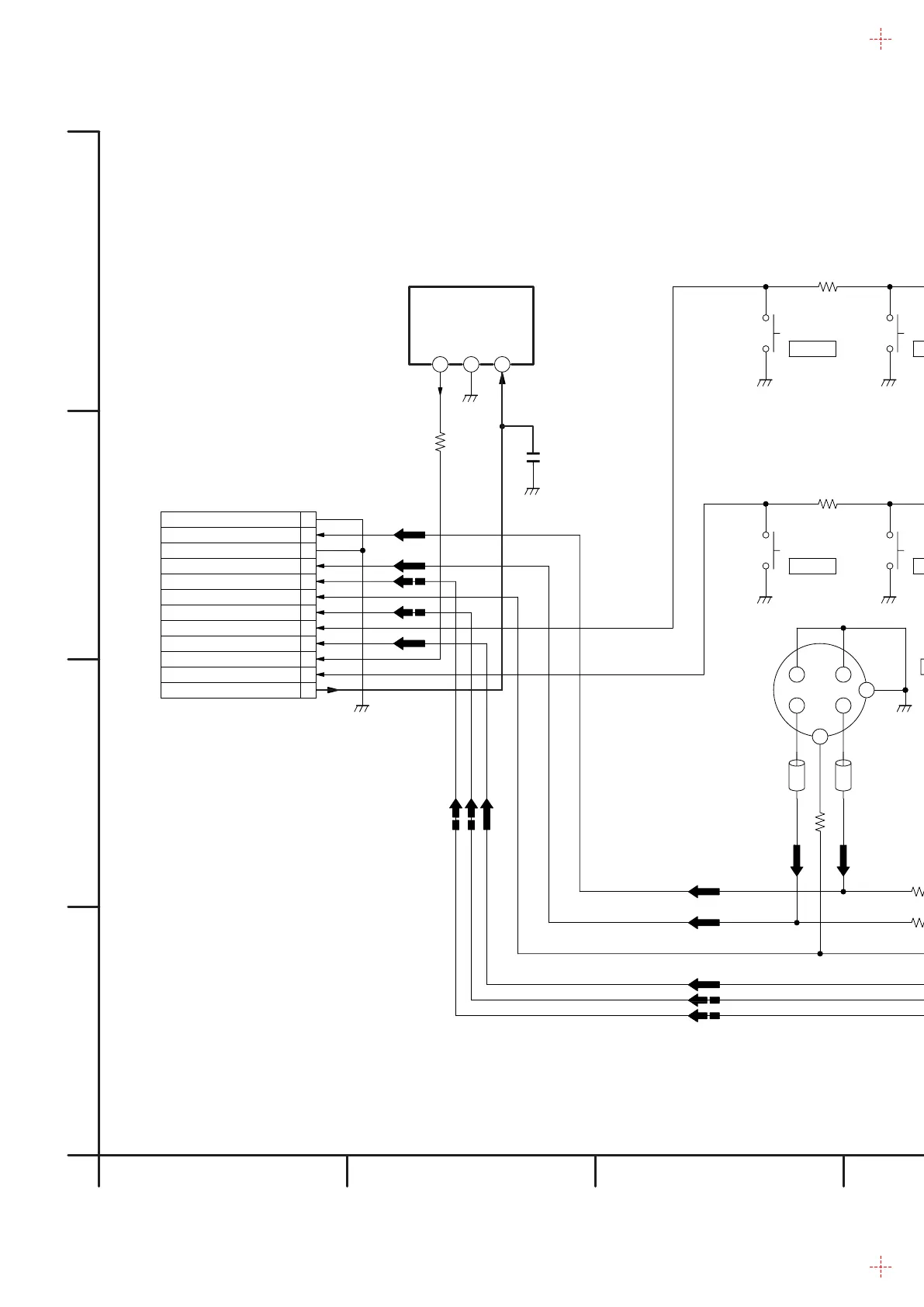
22.13. Front Jack Schematic Diagram
L2
DMR-E75VP
Front Jack
Schematic Diagram
IN THE PARTS LIST,AND MAY BE SLIGHTLY DIFFERNT OR AMENDED SINCE THIS DRAWING WAS PREPARED.
NOTE:DO NOT USE THE PART NUMBER SHOWN ON THIS DRAWING FOR ORDERRING.THE CORRECT PART NUMBER IS SHOWN
1000P
C4805
1000P
C4806
75
R4803
J0JCC0000103
LB4802
J0JCC0000103
R4805
J0JCC0000103
R4806
C4803 100P
C4804 100P
1K
R4804
J0JCC0000103
LB4801
J0JCC0000103
LB4803
R4802 75
C4802 0.1
AUDIO L2 IN R
65
D
C
YC
220
R7801
AUDIO MAIN SIGNAL PATH IN REC MODE
VIDEO MAIN SIGNAL PATH IN REC MODE
(REMOTE CTL.RECEIVER)
PNA4618M12VT
IC7801
0.1
C7801
321
C4801 0.01
R4801 75
FRONT S-VHS JACK
K2HZ107A0001
JK4802
5
6
34
12
L2
123546
IN
VIDEO
MONO
L ch/
R ch
AUDIO IN
FRONT A/V JACK
K2HA307A0003
JK4801
7
12K
R7812
REC
EVQ11G07K
S7807
6800
R7810
4700
R7809
3300
R7808
1800
R7807
PLAY
EVQ11G07K
S7808
CH DN
EVQ11G07K
S7809
SKIP-F
EVQ11G07K
S7813
EVQ11G07K
S7810
REW
EVQ11G07K
S7812
EJECT
6800
R7806
4700
R7804
3300
R7803
1800
R7802
CH UP
EVQ11G07K
S7801
STOP
EVQ11G07K
S7802
SKIP-R
EVQ11G07K
S7806
EVQ11G07K
S7803
FF
EVQ11G07K
S7805
POWER
PP4801
(SYSCON/SERVO/TIMER SECTION)
MAIN P.C.B.
TO PS33001
5V(AD)
VTR KEY 1
IR
VIDEO L2 IN
VTR KEY 2
AUDIO L2 IN L
L2 SW
CPN C IN2
GND
CPN Y IN2
GND
12
11
10
9
8
7
6
5
4
3
2
1
B
432
A
1
100

Related product manuals