EasyManua.ls Logo

Panasonic DMR-E75VP - Page 186

Panasonic DMR-E75VP
235 pages
Print Icon
To Next Page IconTo Next Page
To Next Page IconTo Next Page
To Previous Page IconTo Previous Page
To Previous Page IconTo Previous Page
Loading...
H
L
L
H
H
H
H
C7406 35V10
C7407 35V10
A35A36
Lch Rch
< X SW5.8V >
< REG.5V >
S UNREG 6V
< REG.5V >
K7410
< REG.A 5V >
A40
A39
A38
A37
GND
0.01
C4526
6V47
C7312
0.01
C7313
1K
R4507 L7301
A31A28A26A10 A32A22
A28
0
K7408
A20 A26
A21
A31
A25
A24
R7416 1K
C7417 1
VSSOUT - +
+-OUTVCC
S REF GND
A24
A23
A25
A46
A47
A22
A21
A20
A19
A18
A17
< X SW13V >
A14
A13
A12
A11
A10
A8
A7
A6
A5
0
LB7411
S
S
SCURVE 0
SCURVE 1
D
50V2.2
C7301
C7302 0.033
0.1
C7303
10K
R7301
C7304 0.022
C7305 0.1
C7306 50V3.3
C7307 50V0.33
C7308 35V10
0.22
C7311
3.3K
R7302
0.33
C7309
C7310 0.1
R7304 330
R7305 330
1000P
C7314
10K
R7303
C7315 50V4.7
C7316 50V2.2
330
R7308
R7307 330
R7306 180K
C7317 50V2.2
C7318 0.022
C7319 0.022
C7320 50V2.2
L7401
S AU5V
S
S
CPN Y IN2
CPN C IN2
S
S
S
L2 DET
ADC R
ADC L
P4501
I/O P.C.B.
TO PS43001
3
2
1
4
5
6
7
8
9
10
11
12
13
14
15
16
17
18
AU5V
AUDIO L1 IN L
AUDIO L1 IN R
CPN Y IN2
CPN C IN2
L2 DET
AUDIO L2 IN R
AUDIO L2 IN L
X SW 13V
AUDIO TUN IN L
AUDIO TUN IN R
DVD P OFF
ADC R
ADC L
A GND
K7409
C7425 0.01
C7428 6V47
C7426 0.1
R7403 2200
R7414 15K
R7413 1K
R7412 2200
R7411 13K
43
8
C0BBBB000006
IC7403
(AFC A/D)
765
12
J0JHC0000032
LB7410
EFCT4R5MS5W
FL4562
1
2
3
0
R4572
(REG.+30V)
K7407
AN5832SA-E1V
IC7301
(DECODER)
IIC BUS
BLOCK
DEMODULATOR
BLOCK
DECODER
17181920212223242526272829303132
16151413121110987654321
(REG.+30V)
SWITCH
POWER ON/OFF
GND
LIMITTER
CURRENT
DRIVER
BIAS
SHUTDOWN
TERMINAL
REFERENCE
6
2
7
L
R
L0
IN B
INH
IN AR3
L1L3
R0R1R2
L2
SW LOGIC
VSSVEE
VDD
< X SW5.8V >
< REG.12V >
< REG.12V >
< REG.A 5V >
< REG.12V >
+12V
LB7408 0
L4501 1.2u
V
S
S
S
V
V
V
V
V
S
V
S
S
S
S
S
V
V
S
S
S
S
S
V
U/V TUNER
ENG36716GF
TU7401
A
B
C
35V10
C4307
35V10
C4306
1K
R4311
10V100
C4305
47K
R4309
35V10
C4303
35V10
C4304
C4302 35V10
R4302 1K
R4308 100K
R4304 100K
R4307 100K
R4303 100K
C4301 35V10 R4301 1K
6V22
C1352
0.01
C1351
MAZ4056NHF
D1351
820
R1351
TL1002
(REG.A 5V)
B1AAGD000006
Q1352
(DVD OUT :ON)
UNR521300L
QR4301
1K
R4310
10K
R1341
MAZ4130NLF
D1341
50V4.7
C1342
0.01
C1341
(REG.+12V)
B1AAGD000006
Q1341
NC
TU V IN
AFT
SIF OUT
NC
NC
NC
IF IN
IF OUT
REG.30V
BS POW
REG.5V
NC
IIC DATA
IIC CLK
GND
BT
AGC
REG.5V
REG.5V
J0JBC0000041
R7408
J0JBC0000041
R7407
680
R7404
J0JBC0000015
LB7402
J0JHC0000032
LB7403
6V47
C7405
0.01
C7409
0.1
C7418
1
C7420
MAZ4300NMF
D7402
50V1
C7401
35V10
C4601
24K
R4601
DVD P OFF
VTR P ON
100K
R1352
100K
R1353
2SD1819A0L
Q1351
UNR511200L
QR1352
2SD1819A0L
Q1353
SWITCH
POWER ON/OFF
UNR511200L
QR1351
UNREG 38V
NORMAL AUDIO OUT
FSC
AUDIO L2 IN L
AUDIO L2 IN R
AUDIO L1 IN L
AUDIO L1 IN R
AUDIO MIX L OUT
AUDIO MIX R OUT
DVD OUT
A 5V
REG.12V
TUN.VIDEO IN1
IIC CLOCK
FM MUTE
IIC DATA
X SW 5.8V
X SW 13V
NORMAL AUDIO IN
DVD TUN VIN
I2C5DT
I2C5CK
(TU VIDEO AMP)
2SB1218A0L
Q7401
(MAIN REG.+5V)
C0CBCDD00006
IC7401
431
58
25242322212019181716151413121110987654321
87654321
910111213141516
C0JBAR000285
IC4301
(VTR/DVD SELECTOR SW)
43
8
C0ABBB000108
IC4302
(AUDIO BUFFER)
765
12
E
1110987654321
G
F
E
D
C
B
A
D
C
E
S:Syscon/Servo/Timer Section(Page: )
V:Video Section(Page: )
A:Hi-Fi Audio Section(Page: )
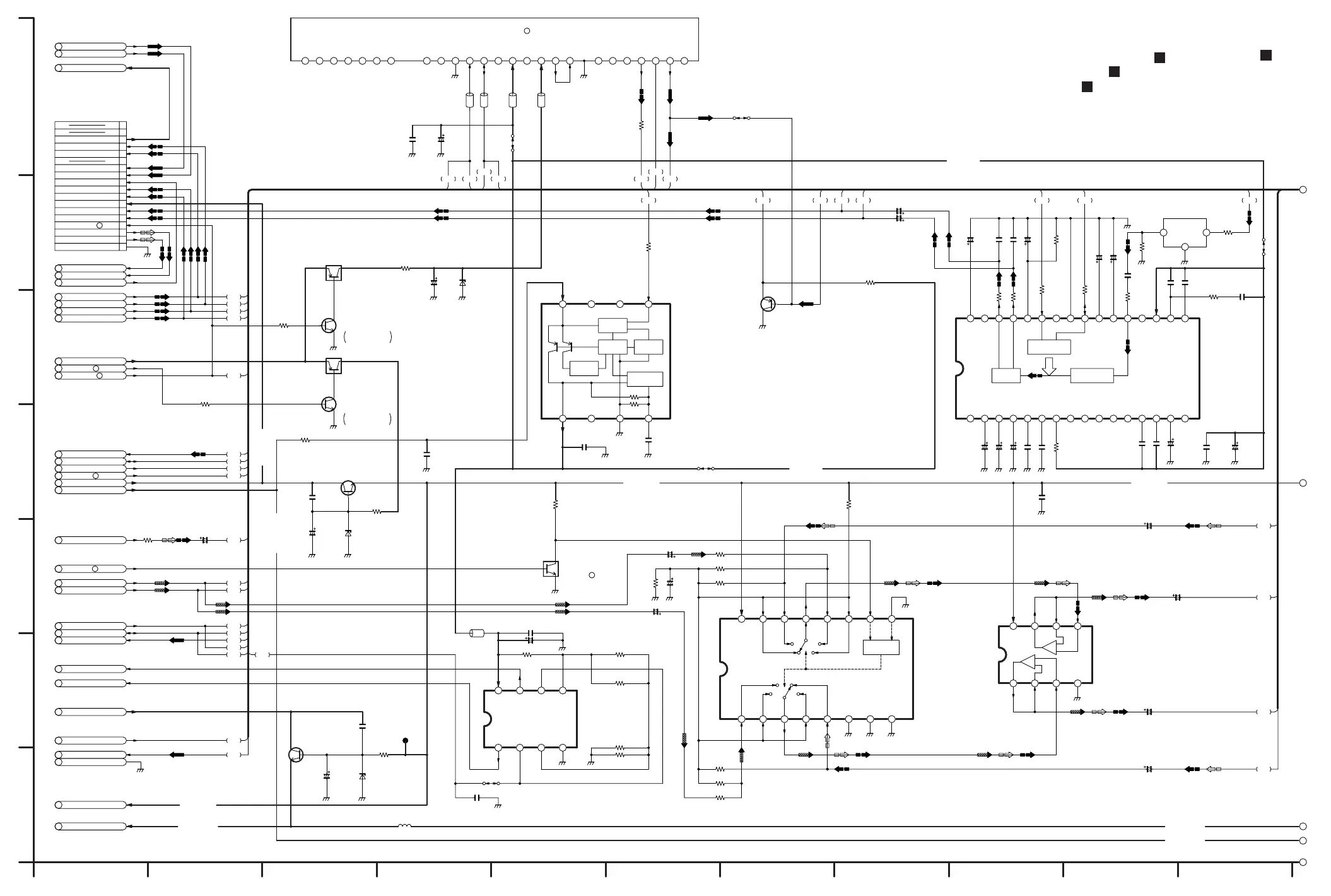
DMR-E75VP Hi-Fi Audio Section (Main P.C.B.(2/3)) Schematic Diagram (A)
D

Related product manuals