EasyManua.ls Logo

Panasonic DMR-E75VP - Page 193

Panasonic DMR-E75VP
235 pages
Print Icon
To Next Page IconTo Next Page
To Next Page IconTo Next Page
To Previous Page IconTo Previous Page
To Previous Page IconTo Previous Page
Loading...
H
H
L
L
L
L
L
H
H
L
L
H
H
H
H
138
137
2
I/F P.C.B.
DIGITAL
POWER &
FROM
20
73
COM MUTE
IC6001-
COMMON MUTE
DRIVE
MUTE
QR3951
MUTE
MUTE
QR3953
QR3952
Q4002
Q4001,
MUTE
20
D.REC
IC6001-
:ON
QR4801
A+5V
LCH
RCH
QR4304
QR4303
QR4302
DRIVE
MUTE
MUTE
MUTE
63
P9001
DRIVE
MUTE
DRIVE
MUTE
4
IC4403-
XDMUTE
IC37501-
XTMUTE
1
12
2
MUTE
OUT
OUT
QR3701
P31903
D3701
X SW5.8V
MUTE
Q3702
MUTE
Q3701
P6003
11
QR34002
QR34001
P.C.B.
DIGITAL
FROM
DMR-E75VP
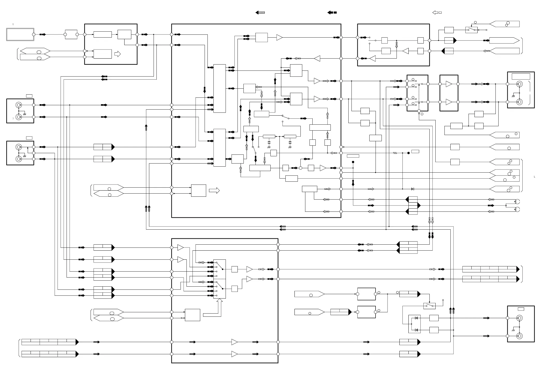
Audio Block Diagram
P39702
70
Q3001
FSC
SW NOISESW NOISE
TIMING
HOLD
LINE OUT L
LINE OUT R
QR4301
INV.
FO
VCO
CTL
MUTE
SECTION
CONTROL
SYSTEM
FROM
IC6001-
AUDIO HEAD SW
19
IC6001-
FM MUTE
28
36
IC7301
(AUDIO DECODER)
L
R
27
24
21
30
29
(AUDIO PROCESSOR)
DVD L
DVD R
9
8
P3001
P3001
7
P3001
FM MIX
TW4501
ENVE
TW4502
IC3001
(AUDIO PROCESSOR)
IC4302
(BUFFER)
IC4301
(VTR/DVD SELECTOR SW)
3
P4002
4
P4002
AMP
PRE
EQ.
REC
TRAP
fh
VCA
P
R
1
7
3
513
3
10
1
5
12
14
96
98
6
2
43
42
DVD R
DVD L
64
15
10
14
63
9
22
24
29
27
21
30
57
53
62
61
10
9
28
29
27
2425
26
21
20
32
31
11
12
2
3
IC44001
(AUDIO BUFFER & SELECTOR SWITCH)
SWITCH
SELECTOR
INPUT
L CH
R CH
VHS L
VHS R
P4502PS43002
1
P4502PS43002
2
ADC L
ADC R
P.C.B.
DIGITAL
TO
P9001
P9001PS43001
16
P31902P6002
18
P4501PS43001
48
P39702
17
P31902P6002
19
P4501
50
P39702
24
20
(L)
OUT
(R)
OUT
REAR OUTPUT JACK
JK3902
DVD
P4503PS43003
P4503
4
3
PS43003
IC6701-
I2C5DT
IC6701-
I2C5CK
P.C.B.
DIGITAL
TO/FROM
AGC
AGC
MIX L DM
MIX R DM
L2 IN L
L2 IN R
L1 IN L
L1 IN R
TUNER IN L
TUNER IN R
PS43001P4501
11
10
P4501 PS43001
PS43001P4501
4
5
P4501 PS43001
13
14
PS43001P4501
P4501 PS43001
62
P6003P31903
7
P39702P9001
7
P4502 PS43002
5658
PS43002P4502P6003P31903P39702P9001
P.C.B.
DIGITAL
FROM
HEAD
AUDIO
Hi-Fi
R
L
CONTROL
SYSTEM
TO/FROM
72
IC6001-
IIC DATA
IC6001-
IIC CLOCK
71
20
IC6001-
D.FM REC
45
SECTION
VIDEO
FROM
IC3001-
FSC
1
IC6001-
DVD OUT
COMMON OUT
VHS/DVD
LINE
REAR OUTPUT JACK
JK3902
(R)
OUT
(L)
OUT
18
22
A/C HEAD
TO/FROM
A.HEAD(W)
A.HEAD(R)
INTERFACE
IIC BUS
INTERFACE
IIC BUS
SWITCH
PREAMP &
AGC
SWITCH
&
AGC
+
LPF
DEMODULATOR
FM MODULATOR/
BPF
BPFLPF
DEMODULATOR
FM MODULATOR/
L
DECODER
R
DECODER
PNR L CH
PNR R CH
SWITCH
&
AGC
6
PP4801
7
PS33001
85
PS33001PP4801
LCH
SWITCH
SELECT
INPUT
L1
(REAR JACK)
JK3901
L1 IN L
L1 IN R
(R)
IN
(L)
IN
20
24
U/V TUNER
TU7401
22SIF OUT
FL4562
31
P.C.B.
DIGITAL
TO/FROM
137
138
INTERFACE
IIC BUS
BLOCK
DEMODULATOR
BLOCK
DECODER
L CH
SWITCH
SELECT
OUTPUT
R CH
SWITCH
SELECT
OUTPUT
SWITCH
SELECT
NORMAL
8
L2
DVD AUDIO SIGNAL
(FRONT JACK)
JK4801
L2 IN R
L2 IN L
5
3
(R)
IN
MONO
IN L/
RCH
SWITCH
SELECT
INPUT
AUDIO MAIN SIGNAL PATH IN PLAYBACK MODEAUDIO MAIN SIGNAL PATH IN REC MODE
IC4501
IC6701-
I2C5DT
IC6701-
I2C5CK
13

Related product manuals