EasyManua.ls Logo

Panasonic DMR-E75VP - Page 196

Panasonic DMR-E75VP
235 pages
Print Icon
To Next Page IconTo Next Page
To Next Page IconTo Next Page
To Previous Page IconTo Previous Page
To Previous Page IconTo Previous Page
Loading...
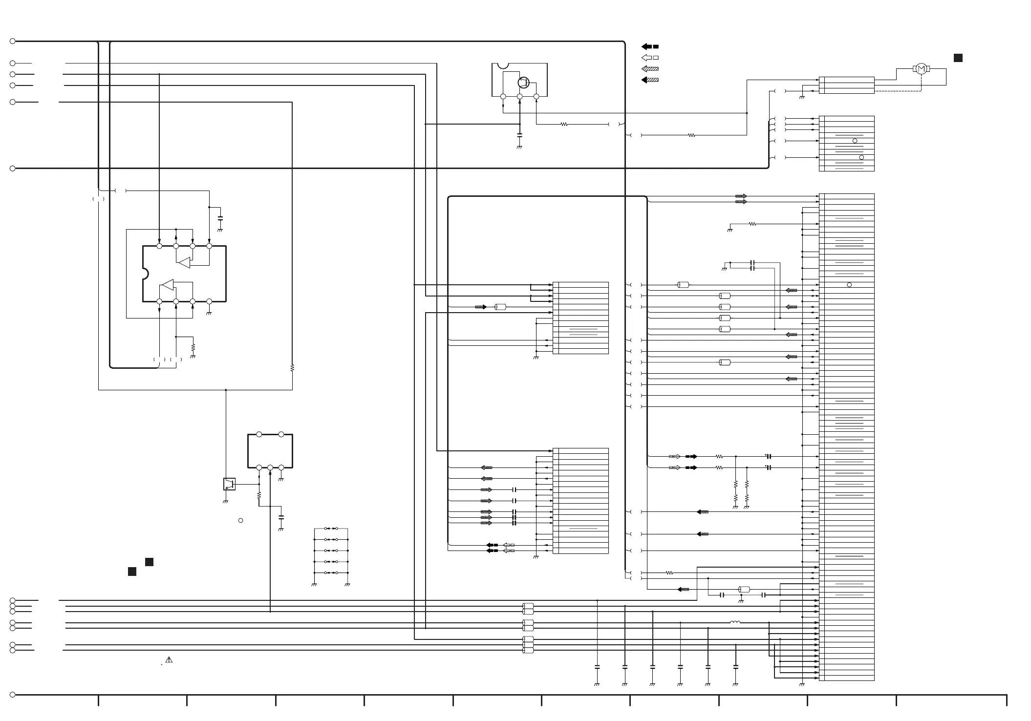
DMR-E75VP
Digital I/F Section
(Power & Digital I/F P.C.B.(2/2))
Schematic Diagram (D)
DMR-E75VP
Digital I/F Section
(Power & Digital I/F P.C.B.(2/2))
Schematic Diagram (D)
H
L
H
H
WHEN REPLACING ANY OF THESE COMPONENTS.ONLY THE SAME TYPE.
COMPONENTS IDENTIFIED WITH THE MARK HAVE THE SPECIAL CHARACTERISTICS FOR SAFETY.
IMPORTANT SAFETY NOTICE:
LB34003 J0JCC0000103
GNDVDDOUT
< REG.D5V >
< REG.D1.5V >
< AU5V >
< X SW15.5V >
K31999
K31998
K31995
K31991
K31902
DVD AUDIO SIGNAL
DVD VIDEO SIGNAL
AUDIO MAIN SIGNAL PATH IN PLAYBACK MODE
AUDIO MAIN SIGNAL PATH IN REC MODE
< REG.ANA3V >
< REG.D3.3V >
< REG.ANA5V >
< REG.D1.2V >
C31912 0.01
LB34002 J0JCC0000103
R39701 100
A37
A59
A60
A7
A6
A40
A47
A43
A41
A58
SCURVE1
SCURVE0
A49
A48
A10
A11
A51
K39704 0
C39702 0.1
C39701 0.1
RGB CPSVIN
F10
F8
F1
F2
F3
F11
18K
R37603
A68
A67
0.01
C31911
C33735 6V47
C33740 6V47
C33738 0.01
C33731 1
C33734 1
LB34001 J0JCC0000103
0.1
C37639
0.01
C37626
1
C37636
A52
A68A67
A46
< AD5V >
< X SW5.8V >
< X SW13V >
820
R34046
5600
R34048
5600
R34047
820
R34045
R34043 3900
R34044 3900
C34029 16V10
C34028 16V10
(SYS PFAIL OUT)
UNR521200L
QR37502
15K
R37597
47K
R37596
A
B
C
D
E
F
G
H
I
J
K
M
N
0.01
C31004
0.01
C31001
0.01
C31002
0.01
C31909
0.01
C31003
L31001 22u
LB31004 J0JHC0000032
LB31003 J0JHC0000032
LB31006 J0JHC0000032
LB31005 J0JHC0000032
LB31001 J0JHC0000032
LB31002 J0JHC0000032
LB31007 J0JHC0000032
C31910 0.01
IN THE PARTS LIST, AND MAY BE SLIGHTLY DIFFERNT OR AMENDED SINCE THIS DRAWING WAS PREPARED.
NOTE:DO NOT USE THE PART NUMBER SHOWN ON THIS DRAWING FOR ORDERING. THE CORRECT PART NUMBER IS SHOWN
CPNCIN DM
V YIN DM
YOUT DM
GPYOUT DM
BPBOUT DM
RPROUT DM
IECOUT
SCURVE0
SCURVE1
IECOUT
AADC L
AADC R
BPBOUT DM
GPYOUT DM
YOUT DM
COUT DM
CPNCIN DM
V YIN DM
RPROUT DM
SCURVE0
GND
XFWE
3534
LB37441 J0JCC0000103
LB34004 J0JCC0000103
LB37412 J0JCC0000103
LB37409 J0JHC0000032
LB37401 J0JHC0000032
COUT DM
820
R37602
(FAN MOTOR DRIVE)
2SD0874A0L
Q37512
123
321
45
C0EBE0000194
IC37505
(RESET)
AADC L
AADC R
FAN MOTOR
FANDCOUT
GND
FANLOCK
P37503
1
3
2
19
18
17
16
15
14
AADC L
AADC R
DGND
DGND
RPROUT DM
BPBOUT DM
2
3
4
5
6
7
8
9
1
11
10
12
P31902
TIMER SECTION)
(SYSCON/SERVO/
MAIN P.C.B.
TO P6002
GPYOUT DM
GND
YOUT DM
GND
COUT DM
GND
GND
CPNCIN DM
GND
MGND
X SW15.5V
V YIN DM
13
13 GND
ANA5V
X SW5.8V
X SW5.8V
X SW13V
X SW13V
IECOUT
GND
SCURVE1
P31901
TIMER SECTION)
(SYSCON/SERVO/
MAIN P.C.B.
TO P6001
12
10
11
1
9
8
7
6
5
4
3
2
DVD KEY IN1
DVD KEY IN2
DVD KEY IN3
DUB LED
T WARP LED
PP31904
FL DRIVE P.C.B.
TO PP7501
10
1
9
8
7
6
5
4
3
2
VDD
GND
C0ABBA000073
IC37506
(FAN MOTOR DRIVE)
-
+
+
-
1234
5678
CPNCIN DM
V YIN DM
DGND
DGND
DGND
DGND
DGND
DGND
DGND
DGND
P OFF
COUT DM
I2C5DT
DGND
I2C5CK
YOUT DM
SCURVE1
DGND
SCURVE0
GPYOUT DM
XINTM
DGND
XINTP
BPBOUT DM
DGND
SCLK
RPROUT DM
XMPREQ
DGND
SBMTP
D1.2V
X SW5.8V
D1.2V
X SW5.8V
D1.5V
D5V
D1.2V
X SW5.8V
D1.5V
ANA5V
D1.5V
GND
D3.3V
ANA3.3V
D3.3V
IECOUT
XDMUTE
UARTG2P
AU5V
DGND
UARTP2G
AUGND
DGND
MIXLOUT DM
DGND
AUGND
DGND
MIXROUT DM
DGND
AUGND
AUGND
AUGND
AADC L
AADC R
DGND
DGND
DGND
SBMTM
P39702
(GLUE NET SECTION)
DIGITAL P.C.B.
TO P9001
88
87
86
85
84
83
82
81
80
79
78
77
76
75
74
73
72
71
70
69
68
67
66
65
64
63
62
61
60
59
58
57
56
55
54
53
52
51
12
50
10
14
13
11
1
15
9
8
16
7
6
17
5
4
18
3
2
19
20
21
22
23
24
25
26
27
28
29
30
31
32
33
34
35
36
37
38
39
40
41
42
43
44
45
46
47
48
49
333231302928272625
O
B
P:Power Supply Section(Page: )
D:Digital I/F Section(Page: )
A
B
10K
R37601

Related product manuals