EasyManua.ls Logo

Panasonic DMR-E75VP - Page 202

Panasonic DMR-E75VP
235 pages
Print Icon
To Next Page IconTo Next Page
To Next Page IconTo Next Page
To Previous Page IconTo Previous Page
To Previous Page IconTo Previous Page
Loading...
<ANA3.3V>
<D3.3V>
<D3.3V>
< ANA3.3V >
< D3.3V >
< D1.5V >
< ANA3.3V >
< D3.3V >
< D1.5V >
6V47
C3411
H20
H19
H18
H17
H16
H15
H14
H13
H12
H11
H10
H9
H8
H7
H6
H5
H4
H3
H2
H1
E12
E11
E10
I6I5I4
I3
I2
I1
E9
E8
E7
E6
E5
E4E3E2
10
C3430
GN
DGND
(VAD CONTROLLER)
AN13310B-VB
IC3401
MAB4
MAB5
MAB6
MAB7
MAB8
MAS9
MAB11
MAB12
MADQB8
MADQB9
MADQB10
MADQB11
MADQB12
MADQB13
MADQB14
MADQB15
MADQB5
MADQB6
MADQB7
MADQB4
MAB3
MAB2
MAB1
MAB0
MAB10
BA1S D
BA0S D
XCS0 D
XRAS D
XCAS D
XWE D
DQM0 D
XCAS D
XRAS D
XCS0 D
DQM0 D
XWE D
BA1S D
BA0S D
MAB12
MAB11
MAB10
MAB9
MAB8
MAB7
MAB6
MAB5
MAB4
MAB3
MAB2
MAB1
MAB0
VDD
A3
A2
A1
A0
A10
BA1
BA0
/CS
/RAS
/CAS
/WE
LDQM
VDD
DQ7
VSSQ
DQ6
DQ5
VDDQ
DQ4
DQ3
VSSQ
DQ2
DQ1
VDDQ
DQ0
VDD
VSS
A4
A5
A6
A7
A8
A9
A11
A12
CKE
CLK
UDQM
NC
VSS
DQ8
VDDQ
DQ9
DQ10
VSSQ
DQ11
DQ12
VDDQ
DQ13
DQ14
VSSQ
DQ15
VSS
BUF OUT2
BUF OUT1
VSS B
BUF IN
VDD B
CLK512FS
CLK384FS
VSS
VDD
CLK768FS
OE
CLK54M
VCXO OUT
VSS V
VCTRL
VDD V
XTAL OUT
XTAL IN
AVSS
AVDD
TEST
FSEL
VSS54M
VDD54M
DAOUT1
DAOUT2
GND
VREFH2
VREFM2
VREFL2
GND
AVDD
AVDD
GND
VREFL1
VREFM1
VREFH1
TTSTIO1
TTSTIO2
CBPFIN
TESTMODE2
CBPFOUT
GND
CPSIN
SSDET
RCrIN
BCbIN
GYIN
VCC
FLAG
AD
MINTEST
CLAMP PULSE
DVDD
VREFH3
VREFM3
VREFL3
GND
AVDD
GND
SDA
SCL
VREF IIC
TESTIO0
GND
SLICER VIDEO
Y/C SEPA
VCC
YLPFIN
TEST MODE0
Y/VOUT
SDETOUT
LINE2
LINE3
S1/S2
CONT
DAOUT0
DAOUT0
AVDD
VBIH
VBIL
GND
27MHz IN
DA FLAG
DA DATA
RESET
DVDD
ADCOUT0
ADCOUT1
ADCOUT2
GND
ADCOUT3
ADCOUT4
ADYOUT0
ADYOUT1
DVDD
ADYOUT2
ADYOUT3
ADYOUT4
GND
54MHz IN
C4
S DET3
C3
S DET2
C2
S DET1
C1
VCC
Y4
GND
Y3
C/SDET3
Y2
C/SDET2
Y1
C/SDET1
VIDEO3
TESTMODE1
VIDEO2
VCC
VIDEO1
GND
TUNER
GND
BS
C0
C1
C2
C3
C4
Y0
Y1
Y2
Y3
Y4
R656DEC0
R656DEC1
R656DEC2
R656DEC3
R656DEC4
R656DEC5
R656DEC7
R656DEC6
ENCBCK
ENCDATA
ENCLRCK
GN
GN
GN
GN
GN
MC
AI
MC
AI
MC
GN
GN
GN
GN
GN
ACLKSEL
R3457 0
CLK54A1
768FS1
768FS2
ENCMCK2
47
R3460
CLK27A1
XRSTENC
RGB CPSVIN
R CR IN
B CB IN
G CY IN
22
R3451
(CLOCK GENERATOR)
C1DB00001110
IC3406
6800
R3449
5600
R3448
6V100
C3440
0.1
C3441
H0J270500069
X3401
10P
C3408
10P
C3407
33
R3414
F1H0J4740004
FL3412
F1H0J4740004
FL3429
F1H0J4740004
FL3431
(REG.D+3.3V)
C0DBZGC00066
IC3409
VINGNDSTBY
VOUTNC
F1H0J4740004
FL3433
321
45
22X4
RX3412
1
3
5
7
2
4
6
8
22X4
RX3413
1
3
5
7
2
4
6
8
22X4
RX3414
1
3
5
7
2
4
6
8
22X4
RX3415
8
6
4
2
7
5
3
1
22X4
RX3416
8
6
4
2
7
5
3
1
22X4
RX3405
7
2468
153
22X4
RX3404
7
2468
153
22X4
RX3407
7531
8642
22X4
RX3406
7531
8642
F1H0J4740004
FL3410
J0JHC0000032
LB3404
J0JHC0000032
LB3405
F1H0J4740004
FL3411
22
R3412
100
R3410
100
R3411
C3402 22P
C3432 1
0
R3409
0.1
C3431
10
C3429
F1H0J4740004
FL3402
F1H0J4740004
FL3401
MA3S132E0L
D3402
1
3
22X4
RX3409
4
5
7
2
8
6
8
6
22X4
RX3403
5
4
2
7
1
3
8
6
22X4
RX3402
4
21
3
7
5
22X4
RX3401
8
6
4
2
7
5
3
1
CL3401
CL3402
0.1
C3436
MA3S132E0L
D3401
F1H0J4740004
FL3406
F1H0J4740004
FL3404
C3428 0.1
C3427 0.1
C3426 0.1
C3425 0.1
C3423 0.1
C3424 0.1
C3405 22P
C3404 22P
C3422 0.01
R3407 0
C3420 0.01
C3421 0.1
C3419 1
C3418 1
C3417 1
C3410 0.01
C3406 0.1
C3403 0.1
GN
CPNCIN DM
V YIN DM
GN
GN
GN
MC
MC
GN
GN
MC
MC
MC
MC
MC
MC
MC
MC
R656DEC0
R656DEC1
R656DEC2
R656DEC3
R656DEC4
R656DEC5
R656DEC6
R656DEC7
I
H
G
F
E
D
C
B
A
3
1
2
3
2
1
R3417 10K
R3416 4700
R3418 10K
C3435 0.1
C3433 0.1
F1H0J4740004
FL3409
F1H0J4740004
FL3407
47
R3461
47
R3462
1
C3401
R3456 22R3455 22
0
R3452
R3454 39
R3453 22
0
R3445
R3447 6800
R3450 100K
D5V
MADQB3
MADQB2
MADQB1
MADQB0
(16bit/256M SDRAM)
C3ABRG000036
IC3402
ANA5V
CL3407
ANA3.3V
I2C3CK
I2C3DT
D3.3V
D1.5V
CL3406
CL3405
CL3404
CL3403
51
52
53
54
55
56
57
58
59
60
61
62
63
64
65
66
67
68
69
70
71
72
73
74
75
767778798081828384858687888990919293949596979899100
50494847464544434241403938373635343332313029282726
131415161718192021222324
121110987654321
282930313233343536373839404142434445464748495051525354
272625242322212019181716151413121110987654321
25
24
23
22
21
20
19
18
17
16
15
14
13
12
11
10
9
8
7
6
5
4
3
2
1
1312
H
J
G
F
E
D
C
B
A
1110987654321
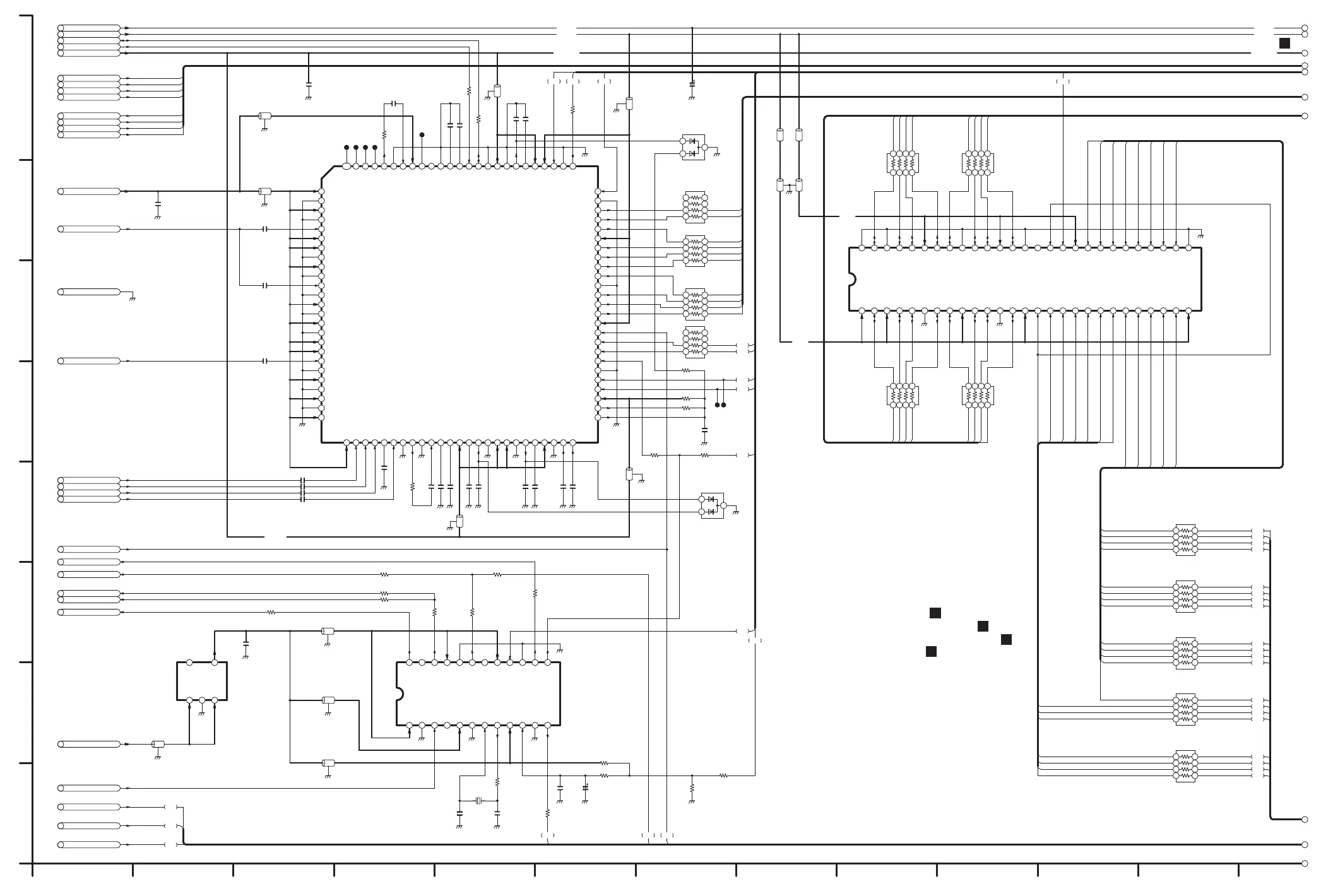
DMR-E75VP AVENC/RTSC Section (Digital P.C.B.(2/4)) Schematic Diagram (EN)
G
GN:Glue Net Section(Page: )
F
EN:AV Encoder/RTSC Section(Page: )
G
MC:AV Decoder/Main CPU Section(Page: )
H
AI:Audio I/O Section(Page: )
I

Related product manuals