EasyManua.ls Logo

Panasonic DMR-E75VP - Page 205

Panasonic DMR-E75VP
235 pages
Print Icon
To Next Page IconTo Next Page
To Next Page IconTo Next Page
To Previous Page IconTo Previous Page
To Previous Page IconTo Previous Page
Loading...
H
H
5.6
R7510
0
LB7502
TIMER DISPLAY
T WARPDUB
100K
R7528
(FIP DRIVE)
C0HBB0000033
IC7502
VP
DIG00
DIG01
DIG02
DIG03
DIG04
DIG05
DIG06
DIG07
DIG08
DIG09
DIG10
DIG11
DIG12
DIG13
DIG14
SEG26
VCC2
SEG25
SEG24
SEG23
SEG22
SEG21
SEG20
SEG19
SEG18
SEG17
SEG16
SEG15
SEG14
SEG13
SEG12
RESET
CS
SCK
SDATA
VSS
XOUT
XIN
VCC1
SEG34
SEG33
SEG32
SEG31
SEG30
SEG29
SEG28
SEG27
DIG15
DIG16
DIG17
SEG35
SEG00
SEG01
SEG02
SEG03
SEG04
SEG05
SEG06
SEG07
SEG08
SEG09
SEG10
SEG11
1211
R7527 100
R7526 100
R7515 100
R7514 0
22u
L7501
1
C7505
(FIP DRIVE)
2SD1819A0L
Q7501
68K
R7513
10K
R7512
0
LB7501
6V47
C7502
0.1
C7501
100P
C7525
27K
R7505
220
R7539
B3AAA0000540
D7507
UNR521100L
QR7510
(DUB LED DRIVE)
(T WARP LED DRIVE)
UNR521100L
QR7501
B3ABA0000402
D7501
220
R7508
3300
R7507
2200
R7506
1500
R7502
1200
R7501
1200
R7504
OPEN/CLOSE
EVQ11G04M
S7501
EVQ11G07K
S7508
STOPPLAY
EVQ11G07K
S7507
CHDN
EVQ11G07K
S7506
EVQ11G07K
S7505
CHUPREC
EVQ11G07K
S7504
TO VHS
EVQ11G07K
S7503
EVQ11G07K
S7502
TO DVD
H
G
PP7502
(DIGITAL I/F SECTION)
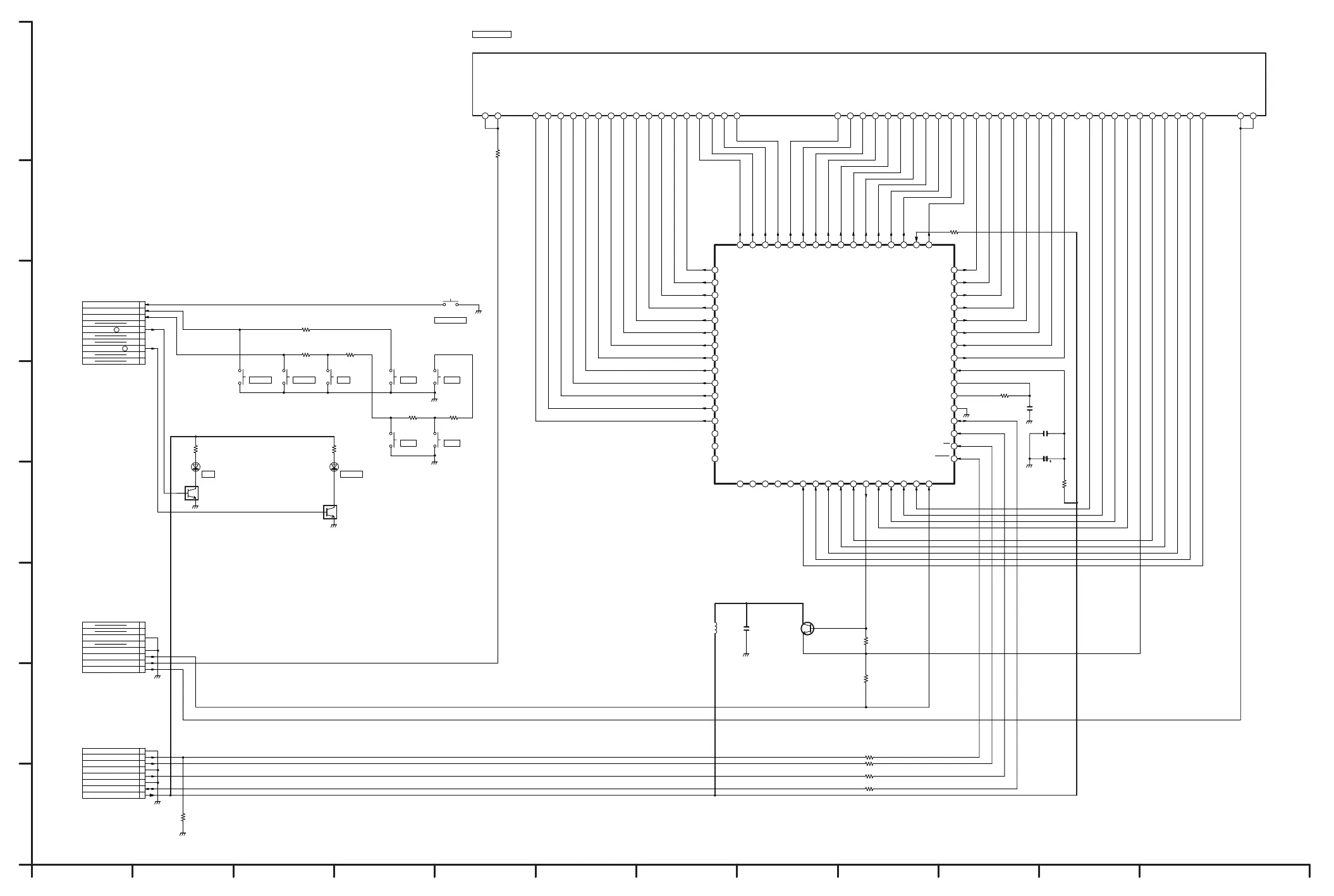
POWER AND DIGITAL I/F P.C.B.
TO PP31903
7
8
5
4
3
2
1
GND
FL RST
FL CS
GND
FL CLK
GND
FL DATA
AD 5V
6
PP7503
(SYSCON/TIMER SECTION)
MAIN P.C.B.
TO P6601
F-
F+
VP
GND
GND
8
7
6
5
4
3
2
1
32 31 30 29 28 27 26 25 24 23 22 21 20 19 18 17
16
15
14
13
12
11
10
9
8
7
6
5
4
3
2
1
64636261605958575655545352515049
48
47
46
45
44
43
42
41
40
39
38
37
36
35
34
33
F-
F-
1G
2G
3G
4G
5G
6G
7G
8G
9G
10G
NC
P1
P2
P3
P4
P5
P6
P7
P8
P9
P10
P11
P12
P13
P14
P15
P16
P17
P18
P19
P20
P21
P22
P23
P24
P25
P26
P27
P28
P29
P30
P31
P32
P33
P34
P35
P36
62615756
PP7501
(DIGITAL I/F SECTION)
POWER AND DIGITAL I/F P.C.B.
TO PP31904
A2BB00000133
DP7501
F+
F+
585554535251504948474645444342414039383736353433323130292120191817161514131211109876521
T WARP LED
DUB LED
DVD KEY IN3
DVD KEY IN2
DVD KEY IN1
10
9
8
7
6
5
4
3
2
1
ORDERING.WHEN YOU ORDER A PART,PLEASE REFER TO PARTS LIST.
NOTE:DO NOT USE ANY PART NUMBER SHOWN ON THIS SCHEMATIC DIAGRAM FOR
10987654321
F
E
D
C
B
A
DMR-E75VP
FL Drive Schematic Diagram

Related product manuals